Iklan 300x250

42 petroleum refinery process flow diagram

Process flow diagram of the petroleum refinery wastewater ... Process flow diagram of the petroleum refinery wastewater treatment plant (PRWWTP) containing conventional activated sludge (CAS) + CAS processes. Petroleum Refinery Process - SmartDraw Petroleum Refinery Process. Create Process Flow Diagram examples like this template called Petroleum Refinery Process that you can easily edit and customize in minutes. 2/16 EXAMPLES.

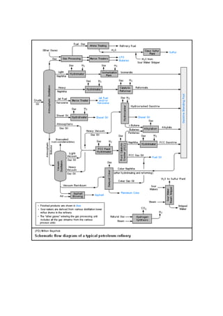
PDF Crude Oil Refinery Flow Diagram Showing Process Chemical ... • Many refineries also include vacuum residuum cokers. • The "other gases" entering the gas processing unit include all the gas streams from the various process units. • Process chemical additives are show in orange. Heavy Vacuum Gas Oil Alkylate FCC Gasoline Diesel Oil Crude Oil Gas Gas H 2 2 Hydrotreater 2 Gas Gas H 2 to Sulfur Plant CO 2 H 2 CO 2 H 2 2 Gas H 2

Petroleum refinery process flow diagram

Petroleum refinery process flow diagram

Process flow diagram - Typical oil refinery | Crude oil ... Process flow diagram - Typical oil refinery. This is a schematic process flow diagram of the processes used in a typical oil refinery. This process flow diagram (PFD) example was redesigned from the Wikimedia Commons file: RefineryFlow.png. [commons.wikimedia.org/ wiki/ File:RefineryFlow.png] This file is licensed under the Creative Commons ... Natural Gas Processing | FSC 432: Petroleum Refining A generalized natural gas flow diagram is shown in Figure 12.2 [7]. After initial scrubbing to remove particles, the first step in natural gas processing is the removal of condensate (oil) and water that is achieved by controlling the temperature and pressure of the inlet stream from the well, as shown in Figure 12.4. Process flow diagram - Typical oil refinery | Process Flow ... Process Flow Diagrams are widely used by engineers in chemical and process engineering, they allows to indicate the general flow of plant process streams and equipment, helps to design the petroleum refineries, petrochemical and chemical plants, natural gas processing plants, and many other industrial facilities.

Petroleum refinery process flow diagram. DMAC-Process Flow Diagram | Petrof Refining Technologies Petroleum Jelly Plant; Process Flow Diagram. Click on the above image to enlarge. Get in touch: Petrof Refining Technologies Level 9, Platina Bldg, Block G, Plot C-59, Bandra-Kurla Complex, Bandra (East), Mumbai - 400051 Maharastra, India. T: +91 22 6700 0569 F: +91 22 6700 0600 PDF Alkylation Process Petroleum Refining Fourth Year Dr.Aysar T. Jarullah Alkylation Process Alkylation is the process of producing gasoline range material light olefins (primarily ... A block diagram of the process is shown in Figure below: Process Flow: Sulfuric Acid Alkylation In sulfuric acid (H 2 SO 4 ) alkylation units, the feeds - propylene, butylene ... Refining crude oil - the refining process - U.S. Energy ... How crude oil is refined into petroleum products. Petroleum refineries change crude oil into petroleum products for use as fuels for transportation, heating, paving roads, and generating electricity and as feedstocks for making chemicals.. Refining breaks crude oil down into its various components, which are then selectively reconfigured into new products. PDF Study of Selected Petroleum Refining Residuals: Industry ... Figure 3.1. Simplified Refinery Process Flow Diagram ..... 22 Figure 3.2.1. Desalting Process Flow Diagram..... 25 Figure 3.3.1. Hydrocracking Process Flow Diagram ..... 35 Figure 3.4.1. Isomerization Process Flow Diagram ..... 43 Figure 3.5.1.

What is Process Flow Diagram | EdrawMax Online Petroleum Refinery Process Flow Diagram- Create by using the petroleum refinery process flow diagram template from SmartDraw. This template is ideal for engineers. It is detailed and contains shapes that are appropriately labeled. Click hereif you want to download and use this template for describing the petroleum refining process. Petroleum Refining - an overview | ScienceDirect Topics In Lees' Loss Prevention in the Process Industries (Third Edition), 2005. 11.12.7 Petroleum refineries and gas processing plants. Petroleum refining and gas processing involve the handling of hydrocarbons in very large quantities. This industry has faced many of the classic problems in SLP and has contributed much to their solutions. Accounts of petroleum refining include The Petroleum ... A Refinery: Process Flow Diagram | Petroleum Refining ... A Refinery: Process Flow Diagram | Petroleum Refining | Chemical Engineer - YouTube. Refinery process - SlideShare REFINERY CONFIGURATION • Catalytic Cracking, Hydro Cracking, Coking, Reformer, etc are referred to as secondary processing units • Nelson Complexity Index • Captures the proportion of the secondary conversion unit capacities relative to the primary distillation or topping capacity • Typically varies from ~ 2 for Hydro skimming refineries to ~ 5 for Cracking refineries and > 9 for Coking refineries • Refineries with high Nelson Complexity Index have • Flexibility to process wide ...

PDF Petroleum refining processes - idc-online.com Flow diagram of a typical petroleum refinery The image below is a schematic flow diagram of a typical petroleum refinery that depicts the various refining processes and the flow of intermediate product streams between the inlet crude oil feedstock and the final end-products. PDF Petroleum Production, Transportation, Refining • Flow of oil & gas through ... Petroleum Refining Technology & Economics -5th Ed. by James Gary, Glenn Handwerk, & Mark Kaiser, CRC Press, 2007. Characteristics of Petroleum Products 44 Refining Overview -Petroleum Processes & Products, by Freeman Self, Ed Ekholm, & Keith Bowers, AIChECD‐ROM, 2000 ... Petroleum refining processes - encyclopedia article ... Flow diagram of a typical petroleum refinery. The image below is a schematic flow diagram of a typical petroleum refinery that depicts the various refining processes and the flow of intermediate product streams that occurs between the inlet crude oil feedstock and the final end-products. Petroleum refining processes - Wikipedia The image below is a schematic flow diagram of a typical petroleum refinery that depicts the various refining processes and the flow of intermediate product streams that occurs between the inlet crude oil feedstock and the final end-products. The diagram depicts only one of the literally hundreds of different oil refinery configurations.

FSC 432 Refinery Flow Chart

FSC 432 Refinery Flow Chart

PDF An Introduction to Petroleum Refining and The Production ... PETROLEUM REFINING AND THE PROD UCTION OF ULSG AND ULSD OCTOBER 24, 2011 Page 3 3. CRUDE OIL AT A GLANCE Refineries exist to convert crude oil into finished petroleum products. Hence, to understand the fundamentals of petroleum refining, one must begin with crude oil. 3.1 The Chemical Constituents of Crude Oil

50TPD Palm Oil Refining Process Plant Flowchart - Palm Oil ...

50TPD Palm Oil Refining Process Plant Flowchart - Palm Oil ...

PDF Lecture 3: Petroleum Refining Overview - NPTEL fuel gas, liquefied petroleum gas (LPG), gasoline, jet fuel, kerosene, auto diesel, lubricants, bunker oil, asphalt and coke are obtained. The entire refinery technology involves careful manipulation of various feed properties using both chemical and physical changes. Conceptually, a process refinery can be viewed upon as a combination of

Petroleum Refining Processes png images | PNGWing

Petroleum Refining Processes png images | PNGWing

PDF 5.1 Petroleum Refining - United States Environmental ... The petroleum refining industry employs a wide variety of processes. A refinery's processing flow scheme is largely determined by the composition of the crude oil feedstock and the chosen slate of petroleum products. The example refinery flow scheme presented in Figure 5.1-1 shows the general processing arrangement used by refineries in the United States for major refinery processes. The

Oil refinery - Wikipedia

Oil refinery - Wikipedia

Petroleum Refining | Crude Oil Refining Processes (PDF ... The image in Fig. 2 below shows a schematic flow diagram of the petroleum refining processes in a crude oil refinery. Fig. 2: Petroleum Refining Process Flow Diagram Online Courses on Petroleum Refining

Oil Refinery Process Flow Diagram Petroleum Natural Gas, PNG ...

Oil Refinery Process Flow Diagram Petroleum Natural Gas, PNG ...

PDF Petroleum Refinery Block Flow Diagram - Colorado School of ... Petroleum Refinery Process Economics, 2nd ed. , by Robert E. Maples, PennWell Corp., 2000 75 blends 135 blends a 1 0.03224 0.03324 a 2 0.00101 0.00085 a 3 0 0 b 1 0.04450 0.04285 b 2 0.00081 0.00066 b 3-0.00645 -0.00632

PHMSA: Stakeholder Communications - Refineries

PHMSA: Stakeholder Communications - Refineries

PDF Oil Refinery Processes • Step 1 in the refining process is to remove these contaminants so as to reduce corrosion, plugging, and fouling of equipment and to prevent poisoning catalysts in processing units. • Step 2 most typical methods of crude-oil desalting are chemical and electrostatic separation , and both use hot water as the extraction agent.

Oil refinery Sugar refinery Petroleum refining processes ...

Oil refinery Sugar refinery Petroleum refining processes ...

Simplified flow chart of crude oil refinery processes ... Download scientific diagram | Simplified flow chart of crude oil refinery processes. from publication: Biotechnology in the petroleum industry: An overview | Oil and Gas industry, Biosurfactants ...

Crude oil distillation unit - PFD

Crude oil distillation unit - PFD

An Overview of Refinery Products and Processes | FSC 432 ... A flow diagram integrating the four types of processes in a petroleum refinery. Source: Dr. Semih Eser Separation processes, such as distillation, dewaxing, and deasphalting make use of the differences in the physical properties of crude oil components to separate groups of hydrocarbon compounds or inorganic impurities, whereas conversion processes cause chemical changes in the hydrocarbon composition of crude oils.

Refinery Process

Refinery Process

Petroleum Refining Process - ILO Encyclopaedia Petroleum refining processes and operations can be classified into the following basic areas: separation, conversion, treatment, formulating and blending, auxiliary refining operations and refining non-process operations. See figure 1 for a simplified flow chart. Figure 1. Refinery process chart. Separation. Crude oil is physically separated by ...

Figure 5.33 is a simplified flow diagram of an oil | Chegg.com

Figure 5.33 is a simplified flow diagram of an oil | Chegg.com

Flow diagram of typical refinery - Expect Asia The image below is a schematic flow diagram of a typical oil refinery that depicts the various unit processes and the flow of intermediate product streams that occurs between the inlet crude oil feedstock and the final end products. The diagram depicts only one of the literally hundreds of different oil refinery configurations.

Crude oil refinery process flow diagram_Waste Oil ...

Crude oil refinery process flow diagram_Waste Oil ...

PDF Introduction to Modern Petroleum Refining Processes The 22 units presented in the refinery process diagram are categorized as: -Desalting process -Crude distillation unit (CDU) -Vacuum distillation unit (VDU) -Thermal cracker -Hydrotreaters -Fluidized catalytic cracker -Separators -Naphtha splitter -Catalytic Reformer -Alkylation and isomerization -Gas treating 4

File:Crude Oil Distillation Unit.png - Wikimedia Commons

File:Crude Oil Distillation Unit.png - Wikimedia Commons

Process flow diagram - Typical oil refinery | Process Flow ... Process Flow Diagrams are widely used by engineers in chemical and process engineering, they allows to indicate the general flow of plant process streams and equipment, helps to design the petroleum refineries, petrochemical and chemical plants, natural gas processing plants, and many other industrial facilities.

Figure 6 from Petroleum refining process control and real ...

Figure 6 from Petroleum refining process control and real ...

Natural Gas Processing | FSC 432: Petroleum Refining A generalized natural gas flow diagram is shown in Figure 12.2 [7]. After initial scrubbing to remove particles, the first step in natural gas processing is the removal of condensate (oil) and water that is achieved by controlling the temperature and pressure of the inlet stream from the well, as shown in Figure 12.4.

Description of a natural-gas processing plant

Description of a natural-gas processing plant

Process flow diagram - Typical oil refinery | Crude oil ... Process flow diagram - Typical oil refinery. This is a schematic process flow diagram of the processes used in a typical oil refinery. This process flow diagram (PFD) example was redesigned from the Wikimedia Commons file: RefineryFlow.png. [commons.wikimedia.org/ wiki/ File:RefineryFlow.png] This file is licensed under the Creative Commons ...

Continuous groundnut oil refining plant for sale with factory ...

Continuous groundnut oil refining plant for sale with factory ...

Petroleum Refining Processes Process Flow Diagram Recycling ...

Petroleum Refining Processes Process Flow Diagram Recycling ...

How to Draw a Process Flow Diagram | Process flow diagram ...

How to Draw a Process Flow Diagram | Process flow diagram ...

ChemEngineering | Free Full-Text | Simulation for the ...

ChemEngineering | Free Full-Text | Simulation for the ...

Continuous palm oil refinery plant_Palm oil refinery

Continuous palm oil refinery plant_Palm oil refinery

Process flow diagram - Typical oil refinery | Process Flow ...

Process flow diagram - Typical oil refinery | Process Flow ...

Physical and Chemical Process in Palm Oil Refining Plant

Physical and Chemical Process in Palm Oil Refining Plant

Coker Unit Delayed Coker Process Flow Diagram Oil Refinery ...

Coker Unit Delayed Coker Process Flow Diagram Oil Refinery ...

rice bran oil refining machine working process flow chart

rice bran oil refining machine working process flow chart

Palm Oil Refining Processing Plant - Palm Oil Mill Machines

Palm Oil Refining Processing Plant - Palm Oil Mill Machines

REFINING CRUDE OIL

REFINING CRUDE OIL

petroleum refinery and its product

petroleum refinery and its product

Adding value to the Crude Oil – Distillation Process Unit

Adding value to the Crude Oil – Distillation Process Unit

4 Schematic process flow chart for an oil refinery ...

4 Schematic process flow chart for an oil refinery ...

Alfa Laval - Fat modification process systems

Alfa Laval - Fat modification process systems

Petroleum refining processes - Knowino

Petroleum refining processes - Knowino

Petroleum Refining Process

Petroleum Refining Process

Refining Operations - Set Laboratories

Refining Operations - Set Laboratories

Petroleum refining-processes

Petroleum refining-processes

petroleum refining | Definition, History, Processes, & Facts ...

petroleum refining | Definition, History, Processes, & Facts ...

Crude oil refining stock vector. Illustration of product ...

Crude oil refining stock vector. Illustration of product ...

Energy efficiency improvements in the U.S. petroleum refining ...

Energy efficiency improvements in the U.S. petroleum refining ...

Flow Chart of Palm Kernel Oil Refining -QI'E grain and oil ...

Flow Chart of Palm Kernel Oil Refining -QI'E grain and oil ...

Petroleum Refining and Formation Process: Definition, Videos

Petroleum Refining and Formation Process: Definition, Videos

palm oil refining process flow chart | Edible oil, Palm oil ...

palm oil refining process flow chart | Edible oil, Palm oil ...

Natural Gas Processing | FSC 432: Petroleum Refining

Natural Gas Processing | FSC 432: Petroleum Refining

Turnkey Project of Palm Oil Refinery Plant|Physical Refining

Turnkey Project of Palm Oil Refinery Plant|Physical Refining

Oil Background

Oil Background

0 Response to "42 petroleum refinery process flow diagram"

Post a Comment

Iklan Atas Artikel

Iklan Tengah Artikel 1

Iklan Tengah Artikel 2

Iklan Bawah Artikel