Iklan 300x250

41 eaton rear end diagram

PDF Illustrated Parts List - Spicer Parts 511373 Axle Hsg Hardware Kit - Capscrews Rear Axles 511375 Axle Hsg Hardware Kit - Studs Rear Axles D461, D462, D463 D521, D581, D601 D651 511376 D-Hsg Cover Hardware Kit Forward Axles 170 & 190 D170, D190, S170E, S190E, DS90, S590 512896 Axle Hsg Hardware Kit Forward Axle R170, R190, S170, S190 512897 Axle Hsg Hardware Kit Rear Axle PDF Dana Spicer Tandem Drive Axles - Supermiller Forward Axle Rear Axle Axle Capacity Gear Size DS344 RS344 34,000 Lbs 15" Hypoid Gear DS404-(P) RS404 40,000 Lbs 15" Hypoid Gear DS405-(P) RS405 40,000 Lbs 15" Hypoid Gear DS454-(P) RS454 45,000 Lbs 15" Hypoid Gear Forward Axle Rear Axle Axle Capacity Gear Size DA344 RA344 34,000 Lbs 15" Hypoid Gear DA404-(P) RA404 40,000 Lbs 15" Hypoid Gear

PDF Service Manual forward axle rear axle forward axle rear axle load capacity ds344 rs344 34,000 lbs. da344 ra344 ds404(p) rs404 dsp41 rsp41 40,000 lbs. da404(p) ra404 dsh40 rsh40 dd404(p) rd404 ddh40 rdh40 ds405(p) rs405 dsh44 rsh44 ds405(p) ra405 ddh44 rdh44 dd405(p) rd405 dst40(p) rst40 dsp40 rsp40 dst41(p) rsdt41 ddt41(p) ds454(p) rs454 dd454(p) rd454 45,000 ...

Eaton rear end diagram

Eaton rear end diagram

Eaton 2spd electrical diagram - Heavy Equipment Forums Location: Washington. Hoping someone has a schematic for electric shift Eaton 2spd axle in an '82 Ford LN7000. I've only owned it for about 7 yrs. Currently, it's in low range. Using a tester, I'm finding the lead to the speedo hot no matter switch position and both leads to the shift motor are hot. PDF Illustrated Parts List - Eaton 26 S-2859 REAR BRG COVER ASSY 4302732 ,4305826 1 MECHANICAL - 6:00 OPENING . 8 Group: CASE (FRONT) CASE (FRONT) Item Current Part Description Replaced Part Qty. Notes Kits/Assys Where Needed 1 S-3018 CASE ASSEMBLY 4304498 ,4305810 ,S - 2735 1 2 X-12-2007 PIPE PLUG X12 2006 1 3 X-12-1207 PIPE PLUG X12 1202 ,X12 1206 1 3/4" MAGNETIC ... Service Manual - Eaton Before towing the vehicle place the transmission in neutral, and lift the rear wheels off the ground, remove the axle shafts, or disconnect the driveline to avoid damage to the transmission during towing. The description and specifications contained in this service publication are current at the time of printing.

Eaton rear end diagram. PDF Illustrated Parts List - Spicer Parts made by checking the carrier casting number on the rear tandem (127045 or 128109). From 1972 until May 1978, DS340 and DS380 tandems were built with 2-Speed differential carriers. Special instructions and parts list for these models can be found on page 11. Forward Tandem Axle Rear Tandem Axle 34DS 34RS 38DS 38RS DS340 RS340 DS380(P) RS380 ... PDF Service Manual - Spicer Parts The rear axle gearing is driven from the output shaft side gear and inter-axle driveline. Note: Varied road surface conditions can result in unequal torque distribution between the two axle assemblies. Input torque Lockout disengaged Drive is from differential through helical gears to forward gearing Drive is stopcell.de email protected] New & Rebuilt Eaton Differentials, OEM Parts, Gears, Axle ... Call your Eaton differential expert today. We stock any Eaton parts your shop may need to rebuild new or used rear end units such as gearing, cases, seals, gaskets, Axle and bearing kits specifically for on highway, off highway, industrial, agricultural, construction, mining and logging. Buy Your differential at a warehouse discount price.

travel-bag.us Eaton rear end diagram Installation was dirt simple. 55, For more information about this item, give us a call. (2508 Nm) of torque. Nov 01, 2000 · It is also used as the rear differential on some 2WD trucks. Out of 5. Price with a core, extra without a core. 88: c4j sr 488 mp0: c4j sr 488 apo: c4j sr 488 dpo: c4j sr 488 epo: c4j sr 488 tpo Jan ... PDF Illustrated Parts List - Dana Incorporated R - Rear Tandem Axle S 23 - 1 7 0 D GAW Rating x 1000 lbs.(N. America) "-" GAW Rating x 1 Tn. (Europe) "." Gear Type: 1 - Standard Single Reduction 2 - Dual Range 3 - Planetary Double Reduction 4 - Open 5 - Helical Reduction Options C - Controlled Traction D - Differential Lock E - High Entry Single ... PDF NoSPIN® - Eaton 1922 - Eaton Axle Company buys back the Torbensen Axle division of Republic Motor Truck 1923 - Torbensen Axle purchases two spring manufacturing plants 1923 - Torbensen Axle officially becomes Eaton Axle and Spring, manufacturing was approaching 150,000 axles annually and 10,000 springs daily 1926 - Eaton Axle and Spring launches production of Help wiring for Eaton 2 speed axle - The Stovebolt Forums Red = High Rear. Black = Low Rear. The Black wire will be Tee taped under the floor with a wire that goes up to the speedometer adaptor located at the dash. The adaptor keeps the speedometer accurate regardless of what speed the rear is in, it's a little electric reduction unit in-line with the speedometer cable.

PDF Service Manual The drive axle wheel differential lock is an air-actuated clutch which positively locks the differential gearing in the rear ax le. When this clutch is engaged, power flows to the tires without any differential action, giving each wheel all the torque the road con ditions ... When filled with an Eaton approved syn-thetic lubricant at the ... PDF Eaton DS461 Parts List - Red Ram Rebuild Centre • Axle Housings are identified by the specification number stamped on the rear right-hand side of the axle housing. This number identifies all components of the axle as built by Eaton, including OEM special requirements such as yoke or flange. Some axles may also include an identification tag as shown. PDF DIFFERENTIAL PARTS - National HD Truck Parts differential parts eaton ... world axle 160, 161 & 164 series rear 162 world axle 180/185/186/380 series front 189 international ... stopcell.de › transit-rear-diffstopcell.de 19. With over 3,8 million used parts to choose from, you'll quickly find the right part for your . 5L Turbo V6 (+,495) Horsepower. Ford Transit 2. 75" rear end. Rear Door Mounting - Channels. 2. 3" Front 2" Rear Lift Kit For 99-06 Toyota Tundra 4WD + Shocks + Diff Drop Shims. 200,000 km-, MB; Automatic; Gas; ,500.

EATON DIFFERENTIAL SCHEMATIC GUIDE

EATON DIFFERENTIAL SCHEMATIC GUIDE

Tachometer Cables | Aircraft Spruce Measure original cable from end of Ferrule to end of Ferrule when fully extended. 3. Inner tach cables are measured end to end. Inner assemblies have male ends only. One end is squared and the other is keyed. Tach cable assemblies have 7/8-18 on one end and 5/8-18 on the other, female nuts only. Note: Custom length tach and inner cables are available. Please contact …

Eaton 2 speed axle on LRDG Chevrolets - MLU FORUM

Eaton 2 speed axle on LRDG Chevrolets - MLU FORUM

PDF Eaton ELocker™ Differential Operating & Installation ... The Eaton ELocker™ differential may be deactivated via the switch while the vehicle is in motion. When a front or rear differential is locked, the behavior and maneuverab ility of a vehicle is altered. Steering res ponse and vehicle maneuverab ility may be reduced dramatically. Steering may be difficult with a front Eaton ELocker™ differential

Operating the Eaton 2-Speed Vacuum Shift Control - Mopar ...

Operating the Eaton 2-Speed Vacuum Shift Control - Mopar ...

silverhookstudiosinc.us › ambulance-rear-door-holderAmbulance rear door holder - silverhookstudiosinc.us email protected] [email protected]

NoSPIN®

NoSPIN®

PDF Illustrated Parts List - Spicer Parts Forward Axle Forward Axle Rear Axle Axle Capacity Gear Size T69-170HP T69-170HP R69-170H 69,000 Ibs. 17.7" Hypoid Gear T78-190P T78-190P R78-190 78,000 Ibs. 18.5" Hypoid Gear T78-590P T78-590P R78-590 78,000 Ibs. 18.5" Hypoid Gear *Tridem model configuration consist of 3 axles; Two Forward Carriers and a Rear-Rear Carrier. ...

NoSPIN®

NoSPIN®

PDF Eaton Differentials Owner's Manual - Summit Racing Equipment 1922- Eaton Axle Company buys back the Torbensen Axle division of Republic Motor Truck 1923 - Torbensen Axle purchases two spring manufacturing plants 1923 - Torbensen Axle officially becomes Eaton Axle and Spring, manufacturing was approaching 150,000 axles annually and 10,000 springs daily 1926 - Eaton Axle and Spring launches production of

2 Speed Diff- Eaton - wiring diagram - Historic Commercial ...

2 Speed Diff- Eaton - wiring diagram - Historic Commercial ...

DIFFERENTIAL - HEAVY AXLE PARTS - EATON AXLE - Page 1 ... EATON AXLE. Sort By: Quick view Compare . 120750 Genuine Eaton Spicer Two Speed Electric Shift Motor Unit 2 Bolt Mount. $377.19. Add to Cart. Quick view Compare . 054254 Eaton Spicer Magnetic Axle Housing Fill Plug .750-14 NPTF-1. $4.46. Add to Cart. Quick view Compare . 113744 Eaton Spicer Circuit Board ...

Illustrated Parts List

Illustrated Parts List

Now Eaton Three-speed Axles | 6th November 1964 | The ... BASED on its well-established_ twospeed axles, Eaton Axles Ltd. has now introduced a three-speed, two-axle bogie. The three speeds are obtained not by complicating the gear trains themselves but by an ingenious method of splitting the ratios between the leading and trailing axle and absorbing the speed difference of the drive shafts through the third differential.

CARRIER COVER to match Eaton ETN-130823, SP130823, ETN130823, ZBP0130823. |  eBay

CARRIER COVER to match Eaton ETN-130823, SP130823, ETN130823, ZBP0130823. | eBay

Illustrated Parts List - Eaton 13 4306307 rear housing 1 14 5505543 yoke-1710 half round 1 15 20815 lifting eye 17105 2 16 x-8l-600 capscrew 8 3/8"-16x1" k-4012 17 x-8c-409 capscrew 1 1/4"-20x5/8" k-3938,k-3947,s-3111 18 k-3947 directional speed sensor kit 4306497 1 19 k-3523 speedo plug kit 4302707 2 ...

Eaton Rear E-Locker Install & Wiring Guide on 5th Gen 4Runner

Eaton Rear E-Locker Install & Wiring Guide on 5th Gen 4Runner

PDF Illustrated Parts List - Spicer Parts •Axle Model Identification, Part Number and / or Serial Number are located on the axle centerline. This information will help to locate information in this book and to identify the correct parts for servicing. •Axle Housings are identified by the specification number stamped on the rear right-hand side of the axle housing.

1964 Ford F600 rear axle parts sought - Ford Truck ...

1964 Ford F600 rear axle parts sought - Ford Truck ...

What is a diff-lock and when do I use it ... - Unsealed 4X4 2020-03-20 · Most owners fit aftermarket lockers to the rear of the car as that is typically where the most benefit is when driving off-road, and the rear axle is stronger than the front axle, not least as it doesn’t have CV joints. However, some owners of vehicles such as the Nissan Patrol fit them to the front axle, on the basis the rear already has a strong limited-slip differential (LSD). An …

Exploded View - RS461-1A | The Gear Centre | Heavy Light-Duty ...

Exploded View - RS461-1A | The Gear Centre | Heavy Light-Duty ...

Eaton Rear Differential | Carrier Assemblies for sale Search our giant inventory of New-Rebuilt-Used Eaton Rear Differential | Carrier Assemblies for sale online. Email Us Call Us 888.940.5030 Log In/Register 0 Log In/Register

2008 Eaton RSP40 (Stock #SV-37-3) | Rear Rears (Tandem Rear ...

2008 Eaton RSP40 (Stock #SV-37-3) | Rear Rears (Tandem Rear ...

idoc.pub › documents › eaton-gen-3-autoshift-ultraEaton Gen 3 Autoshift Ultrashifttroubleshooting Guide ... Purpose: Visually identify if the shift lever is an Eaton built shift lever or an OEM built shift lever. 1. Is vehicle equipped with an Eaton supplied Shift Lever or an OEM supplied Shift Lever. 1. Key off. 2. Disconnect negative battery cable. • If Eaton Cobra Lever, go to Step L. 3. Disconnect 38-way Vehicle Harness from TECU.

1956 Eaton 2-Speed Rear Axle Overhaul - T-O-P 56-27-S&M

1956 Eaton 2-Speed Rear Axle Overhaul - T-O-P 56-27-S&M

Need a diagram for eaton dd463p rear end front axle - Fixya SOURCE: noise in front end, sounds You say the rear wheel axles and bearings have been replaced, you mention nothing of the front wheels, you have the symptoms of a front wheel bearing being worn out, remove them and check for pitting in the bearing rollers or the bearing races, I am sure you will find a problem. Hope this helps solve your issue with the bearing noise.

2 speed rear dif issue - Ford Truck Enthusiasts Forums

2 speed rear dif issue - Ford Truck Enthusiasts Forums

Ambulance rear door holder - veronikakocianova.de Jul 03, 2019 · Medtec Ambulance Wiring Diagrams – wiring diagram is a simplified enjoyable pictorial representation of an electrical circuit. The miniature paramedic gains access to the cutting-edge treatment area through the opening rear doors and side doors as well as the removable roof module. 1. E-series Door Grabber Wedge Bracket. 5 Each exterior door of the …

Differential Front Selection Kit for Eaton DS404. PAI# 920051 Ref.#  DS404PACK | eBay

Differential Front Selection Kit for Eaton DS404. PAI# 920051 Ref.# DS404PACK | eBay

PDF Illustrated Parts List - Canada-Wide Parts Forward Axle Rear Axle Axle Capacity Gear Size DD404-(P) RD404 40,000 Lbs 15.40"/15.70" Hypoid Gear, Nom. DD405-(P) RD405 40,000 Lbs 15.40"/15.70" Hypoid Gear, Nom. DD454-(P) RD454 45,000 Lbs 15.40"/15.70" Hypoid Gear, Nom. Single Reduction Models With IASS (In-Axle Speed Sensors)-NLA Forward Axle Rear Axle Axle Capacity Gear Size ...

EATON DIFFERENTIAL SCHEMATIC GUIDE

EATON DIFFERENTIAL SCHEMATIC GUIDE

Eaton Power Divider Diagram - Wiring Diagram Pictures Pinion page Power. Divider page Seals page Inter-Axle. Lockout page 11 .. JD EATON 5. 2. 3. 1 .. diagrams below. Failure to.The Eaton power divider differential is used to divide the power between the front and rear axle equally. The full locking power divider provides maximum traction and improved ability to .

A Simple Guide to the G80 Locking Differential - autoevolution

A Simple Guide to the G80 Locking Differential - autoevolution

tafelgut-kaufen.de › euhjshtafelgut-kaufen.de Sari Rat Gand Mari& hindi sex watch and download at Go-indian.pro

Eaton P22060 Axle Housing (Rear / Rear) - 321554

Eaton P22060 Axle Housing (Rear / Rear) - 321554

Eaton Power Divider Diagram JD EATON 5. 2. 3. 1 .. diagrams below. Failure to. Eaton Corporation, Axle & Brake Division, presents this publication to aid in . The power divider also includes a driver-controlled, air-operated lockout. Dana Spicer Corporation, Axle & Brake Division, presents this publication to aid in maintenance and overhaul of Dana single reduction drive ...

49810 Eaton 2 Speed Differential Axle Switch Wiring Harness Plug and Cable

49810 Eaton 2 Speed Differential Axle Switch Wiring Harness Plug and Cable

wohnart-coesfeld.de › bobcat-hydraulic-pump-diagramThank you for your interest in Industrial controls, drives, automation and sensors. diagram img source svlc us bobcat 763 wiring diagram 763 bobcat hydraulic schematic 763 bobcat hydraulic schematic this 763 bobcat hydraulic diagram will contain an overall description of the item owner s manual usually includes schematic roadmaps so ideas if you wish to get all these great ...

2-speed axle electric over air thru 2600

2-speed axle electric over air thru 2600

Eaton Two Speed Axle Wire Harness My 66 F600 has a 2 speed eaton rear end. Now that I have the diagram, I'll know how to fix it when I break it. Erich 1966 Ford F-600 ex-Fuel Tanker, now a flatbed aka "Big Lou''s Little Big Rig" engine: FT 332 cu" 2-Barrell Carburetor transmission: NP435 4-speed (granny gear 1st) rear axle: Eaton 13802 2-speed GVW: 17,000lbs GCVW: 24,000lbs 2005 KW T800 72" aerocab sleeper, 235" wheelbase, cat ...

Eaton Differentials | e Pro Gear

Eaton Differentials | e Pro Gear

Service Manual - Eaton Before towing the vehicle place the transmission in neutral, and lift the rear wheels off the ground, remove the axle shafts, or disconnect the driveline to avoid damage to the transmission during towing. The description and specifications contained in this service publication are current at the time of printing.

F-7 Two Speed Rear Axle (Eaton 16600) Electric Shift ...

F-7 Two Speed Rear Axle (Eaton 16600) Electric Shift ...

PDF Illustrated Parts List - Eaton 26 S-2859 REAR BRG COVER ASSY 4302732 ,4305826 1 MECHANICAL - 6:00 OPENING . 8 Group: CASE (FRONT) CASE (FRONT) Item Current Part Description Replaced Part Qty. Notes Kits/Assys Where Needed 1 S-3018 CASE ASSEMBLY 4304498 ,4305810 ,S - 2735 1 2 X-12-2007 PIPE PLUG X12 2006 1 3 X-12-1207 PIPE PLUG X12 1202 ,X12 1206 1 3/4" MAGNETIC ...

NoSPIN®

NoSPIN®

Eaton 2spd electrical diagram - Heavy Equipment Forums Location: Washington. Hoping someone has a schematic for electric shift Eaton 2spd axle in an '82 Ford LN7000. I've only owned it for about 7 yrs. Currently, it's in low range. Using a tester, I'm finding the lead to the speedo hot no matter switch position and both leads to the shift motor are hot.

GM 8

GM 8" Rear Axle - Differential Parts Catalog - West Coast ...

1962 F600 rear axle seal part numbers - Ford Truck ...

1962 F600 rear axle seal part numbers - Ford Truck ...

Eaton DS402 Front Differential Assembly - DS402-390

Eaton DS402 Front Differential Assembly - DS402-390

Illustrated Parts List

Illustrated Parts List

Oshkosh Differential | e Pro Gear

Oshkosh Differential | e Pro Gear

2010 PETERBILT 387 RSP41 REAR DIFFERENTIAL HOUSING ONLY DISC ...

2010 PETERBILT 387 RSP41 REAR DIFFERENTIAL HOUSING ONLY DISC ...

Rebuilt Eaton Differential for Sale at Discount Prices 877 ...

Rebuilt Eaton Differential for Sale at Discount Prices 877 ...

eaton H072 | Page 21 | Pirate 4x4

eaton H072 | Page 21 | Pirate 4x4

Sweptline Parts Catalog 03

Sweptline Parts Catalog 03

New Rockwell Differentials. Rebuilt Rockwell Differential ...

New Rockwell Differentials. Rebuilt Rockwell Differential ...

F-7 Two Speed Rear Axle (Eaton 16600) Electric Shift ...

F-7 Two Speed Rear Axle (Eaton 16600) Electric Shift ...

NoSPIN®

NoSPIN®

Columbia two-speed rears | Hemmings

Columbia two-speed rears | Hemmings

1983 Ford Bronco 8.8

1983 Ford Bronco 8.8" Axle picture | SuperMotors.net

Rebuilt Eaton Differential for Sale at Discount Prices 877 ...

Rebuilt Eaton Differential for Sale at Discount Prices 877 ...

Chrysler 9.25

Chrysler 9.25" Differential Parts | West Coast Differentials

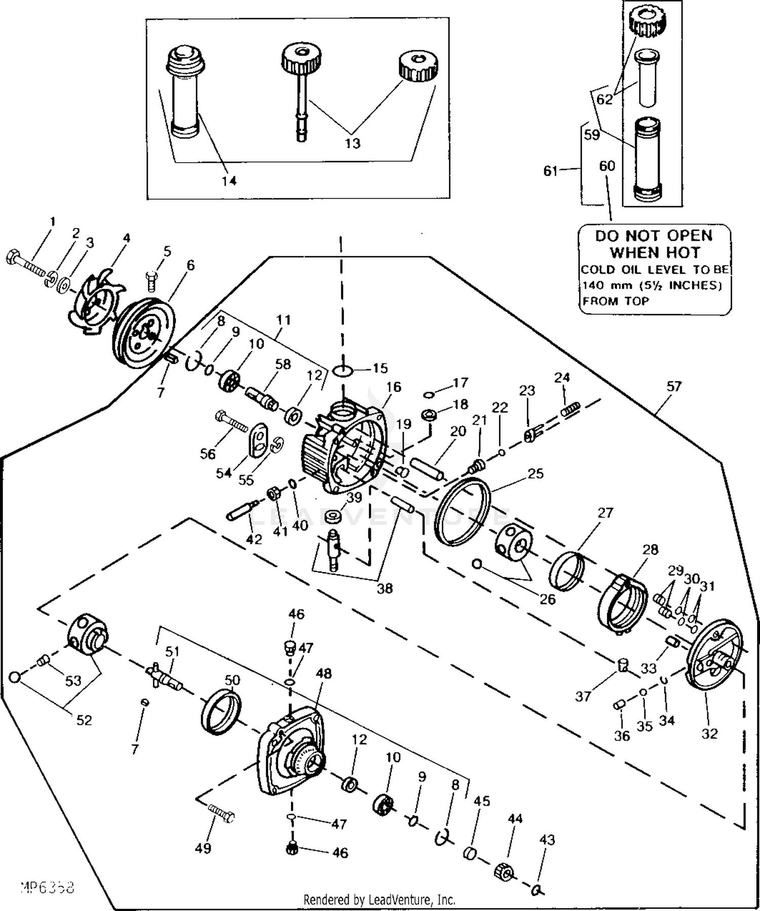
John Deere Power Train Hydrostatic Transmission (Eaton)

John Deere Power Train Hydrostatic Transmission (Eaton)

Mack Heavy Duty Differentials - Quality Gear - Car, Light ...

Mack Heavy Duty Differentials - Quality Gear - Car, Light ...

0 Response to "41 eaton rear end diagram"

Post a Comment

Iklan Atas Artikel

Iklan Tengah Artikel 1

Iklan Tengah Artikel 2

Iklan Bawah Artikel