Iklan 300x250

38 2004 saturn ion radio wiring diagram

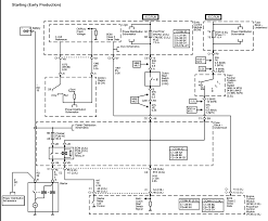
2004 Saturn Ion Radio Wiring Diagram from images-na.ssl-images-amazon.com. To properly read a cabling diagram, one offers to learn how the particular components inside the system operate. For instance , in case a module is usually powered up and it sends out the signal of half the voltage in addition to the technician will not know this, he ... Saturn ION (2003 – 2004) – fuse box diagram. Year of production: 2003, 2004. Instrument Panel Fuse Block. Some fuses are in a fuse block on the driver’s side of the floor console. Saturn ION – fuse box – floor console

2004 saturn ion radio wiring diagram. I got it working. I got 2 12 kicker l5s. The stereo wiring diagram listed above is provided as is without any kind of warranty. Id put up pics if i could figure it out. 2004 ion 2 sedan autozone short ram fe5 suspension with pedder. Soo now its got a switch soo if i see the cops or somethin and it turns on ...

2004 saturn ion radio wiring diagram

2004 saturn ion radio wiring diagram

Can you please forward the wiring diagram for an 05 Saturn ion 3 quad coupe ecu to. Huntsey100@live.com. I stumbled across a TON of Ion wiring diagrams on Auto Zone's website just by Googling "Saturn Ion Wiring Diagram". They have like 20+ just for the 2006 Ion, as well as a gazillion other vehicles. Wiring Diagram Saturn Ion 2004. Radio saturn ion 2 2004 system wiring diagrams for cars quad coupe installing new stereo and speakers wires at speaker connections both test as positive have diagram full version hd quality body control modules 3 thanks to i successfully reset the passlock on my now how can get a starter ii bypass am 18 trying ... 2002 Ford F 150 Radio Wiring In 2021 2005 Ford Mustang Radio Ford . 2004 Saturn Ion Quad Coupe Installing New Stereo And Speakers Wires At Speaker Connections Both Test As Positive Have . Diagram Saturn Ion Stereo Wiring Diagram Full Version Hd Quality Wiring Diagram Outletdiagram Sitrend It

2004 saturn ion radio wiring diagram. Whether your an expert Saturn Ion 1 mobile electronics installer, Saturn Ion 1 fanatic, or a novice Saturn Ion 1 enthusiast with a 2004 Saturn Ion 1, a car stereo wiring diagram can save yourself a lot of time. Automotive wiring in a 2004 Saturn Ion 1 vehicles are becoming increasing more difficult to identify […] 10 Jul 2006 — The wiring diagrams I am looking for are not for inside the dash behind the radio, they are for the exact point where the spakers are conected.1 answer · Top answer: See the answer on the image 24 Feb 2007 — This is for a 2004 Saturn Ion Redline w/AAS. Pin....... Wire Color............ Function A1........ grey... Re: 2003 Ion: CD/Radio Wiring Diagram/Colors for +12V constant, switched power, groun Done, the unit is hooked up and the sound is surprisingly good. Much better than any FM transceiver I've ever used and because I found a deal, significantly cheaper than a new deck.

2004 Saturn Ion 3 Stereo Wiring Information. Radio Battery Constant 12v+ Wire: Orange. Radio Accessory Switched 12v+ Wire: Yellow. Radio Ground Wire: Black/White. Radio Illumination Wire: Brown. Stereo Amp Trigger Wire: Pink. Left Front Speaker Positive Wire (+): Tan. Left Front Speaker Negative Wire (-): Gray. 2004 saturn ion 2 radio wiring diagram. Aux Input For 2004 Factory Radio Yes It Works Saturn Ion Redline. The door lockunlock works but if I press the remote start the car starter kicks in and right back out the key will not start the car and the Passlock carlock light flashes. I have a remote start on a 2004 Saturn Ion not red line. 2002 Ford F 150 Radio Wiring In 2021 2005 Ford Mustang Radio Ford . 2004 Saturn Ion Quad Coupe Installing New Stereo And Speakers Wires At Speaker Connections Both Test As Positive Have . Diagram Saturn Ion Stereo Wiring Diagram Full Version Hd Quality Wiring Diagram Outletdiagram Sitrend It Wiring Diagram Saturn Ion 2004. Radio saturn ion 2 2004 system wiring diagrams for cars quad coupe installing new stereo and speakers wires at speaker connections both test as positive have diagram full version hd quality body control modules 3 thanks to i successfully reset the passlock on my now how can get a starter ii bypass am 18 trying ...

Can you please forward the wiring diagram for an 05 Saturn ion 3 quad coupe ecu to. Huntsey100@live.com. I stumbled across a TON of Ion wiring diagrams on Auto Zone's website just by Googling "Saturn Ion Wiring Diagram". They have like 20+ just for the 2006 Ion, as well as a gazillion other vehicles.

29 2001 Saturn Sl1 Radio Wiring Diagram - Wire Diagram ...

29 2001 Saturn Sl1 Radio Wiring Diagram - Wire Diagram ...

saturn vue radio wiring diagram - Wiring Diagram

saturn vue radio wiring diagram - Wiring Diagram

asphalt road between city buildings

asphalt road between city buildings

2004 saturn ion quad coupe, installing new stereo and speakers, wires at speaker connections both test as positive. have

2004 saturn ion quad coupe, installing new stereo and speakers, wires at speaker connections both test as positive. have

All Wiring Diagrams for Buick LeSabre Limited 2004 – Wiring diagrams for cars

All Wiring Diagrams for Buick LeSabre Limited 2004 – Wiring diagrams for cars

2006 Saturn Vue Engine Diagram - Lilianaescaner

2006 Saturn Vue Engine Diagram - Lilianaescaner

Saturn ION (2003 - 2004) - fuse box diagram - Auto Genius

Saturn ION (2003 - 2004) - fuse box diagram - Auto Genius

2003 Saturn Ion Radio Wiring | schematic and wiring diagram

2003 Saturn Ion Radio Wiring | schematic and wiring diagram

2004 Saturn Ion Radio Wiring Diagram Database

2004 Saturn Ion Radio Wiring Diagram Database

2000 Saturn Sl Stereo Wiring Diagram - Wiring Diagram and ...

2000 Saturn Sl Stereo Wiring Diagram - Wiring Diagram and ...

I have a 2004 Saturn L300 Automatic 3.0L. When I weigh on ...

I have a 2004 Saturn L300 Automatic 3.0L. When I weigh on ...

2000 Isuzu Rodeo Radio Wiring Diagram

2000 Isuzu Rodeo Radio Wiring Diagram

Stereo Wire Harness Saturn ION 04 05 2004 2005 (car Radio Wiring Installation. | Pricepulse

Stereo Wire Harness Saturn ION 04 05 2004 2005 (car Radio Wiring Installation. | Pricepulse

Wiring harness diagram on 2007 saturn ion

Wiring harness diagram on 2007 saturn ion

I am 18 and trying to install my first stereo in my car. I ...

I am 18 and trying to install my first stereo in my car. I ...

2002 Saturn Sl2 Stereo Wiring Diagram - Wiring Diagram

2002 Saturn Sl2 Stereo Wiring Diagram - Wiring Diagram

2006 Saturn Ion Radio Fuse Location

2006 Saturn Ion Radio Fuse Location

I am trying to replace the radio with 6 CD changer on my 2002 Saturn L200 with a Saturn 2004 radio with 6 CD changer and

I am trying to replace the radio with 6 CD changer on my 2002 Saturn L200 with a Saturn 2004 radio with 6 CD changer and

Thanks to, I successfully reset the passlock on my 2004 Saturn Ion. Now how can I get a wiring diagram for the starter

Thanks to, I successfully reset the passlock on my 2004 Saturn Ion. Now how can I get a wiring diagram for the starter

2004 Saturn Ion 3 Wiring Diagram - Wiring Diagram

2004 Saturn Ion 3 Wiring Diagram - Wiring Diagram

Circuit Electric For Guide: 2007 Saturn Ion Wiring Diagram

Circuit Electric For Guide: 2007 Saturn Ion Wiring Diagram

Time Square, New York

Time Square, New York

Saturn 04 Diagram Ion Radio Wiring | schematic and wiring ...

Saturn 04 Diagram Ion Radio Wiring | schematic and wiring ...

43 2007 Saturn Ion Radio Wiring Diagram - Wiring Diagram ...

43 2007 Saturn Ion Radio Wiring Diagram - Wiring Diagram ...

yellow blue and black coated wires

yellow blue and black coated wires

33 2004 Saturn Vue Radio Wiring Diagram - Wire Diagram ...

33 2004 Saturn Vue Radio Wiring Diagram - Wire Diagram ...

31 2004 Saturn Ion Radio Wiring Diagram - Wiring Diagram List

31 2004 Saturn Ion Radio Wiring Diagram - Wiring Diagram List

Circuit Electric For Guide: 2007 Saturn Vue Radio Wiring ...

Circuit Electric For Guide: 2007 Saturn Vue Radio Wiring ...

Radio City LED sign on building

Radio City LED sign on building

2000-2002 Saturn S Series Factory AM FM CD Player - R-1118-2

2000-2002 Saturn S Series Factory AM FM CD Player - R-1118-2

2004 saturn ion quad coupe, installing new stereo and speakers, wires at speaker connections both test as positive. have

2004 saturn ion quad coupe, installing new stereo and speakers, wires at speaker connections both test as positive. have

2003 Saturn Ion Radio Wiring | schematic and wiring diagram

2003 Saturn Ion Radio Wiring | schematic and wiring diagram

[DIAGRAM] 2007 Saturn Vue Instrument Panel Wiring Diagram

[DIAGRAM] 2007 Saturn Vue Instrument Panel Wiring Diagram

man standing near the door of the building

man standing near the door of the building

Wiring Resources

Wiring Resources

Saturn Ion Radio Wiring Diagram - Wiring Diagram and ...

Saturn Ion Radio Wiring Diagram - Wiring Diagram and ...

black 2-DIN head unit

black 2-DIN head unit

2003 Saturn Vue Starter Wiring Diagram - Wiring Diagram

2003 Saturn Vue Starter Wiring Diagram - Wiring Diagram

0 Response to "38 2004 saturn ion radio wiring diagram"

Post a Comment

Iklan Atas Artikel

Iklan Tengah Artikel 1

Iklan Tengah Artikel 2

Iklan Bawah Artikel