Iklan 300x250

39 hyster forklift brake diagram

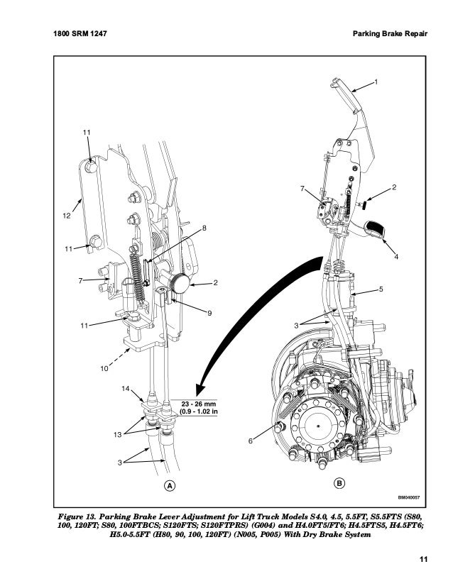
Some HYSTER Forklift Truck Manuals & Brochures PDF are above the page. Hyster originated as a small production of winches and lifting machines that were used in the woodworking and logging industry in Northwest America. The basis for the name of the company was the call of workers shouting “Hoist’er!” Before the logs began to rise. A few years passed and the first forklifts came off the ... 3 Feb 2019 — Bend the lock plate over the nut. 3. 18. Adjust the clearance of the brake shoes. Put a brake adjustment tool or a screwdriver through the slot ...

3 Feb 2019 — When the lift truck moves in the REVERSE direction and the brakes are applied, the rear brake shoe and the adjuster links move with the drum.

Hyster forklift brake diagram

Hyster forklift brake diagram

3 Feb 2019 — 1800 SRM 1247. Service Brakes Repair (Dry Brake) 13. Install the drive wheels. Remove the lift truck from the blocks. Operate the lift truck ... We can deliver cables, master brake cylinders, valves, new brake shoe pads, and more with efficiency. Take a look at our collection of Hyster forklift brakes and parts to repair your machine and get it back to work.If you need assistance, just call 616-796-6638 today! 29 Dec 2019 — These parts include the brake booster, master cylinder, and brake shoe assemblies. Description and Operation The brake pedal is connected to the ...

Hyster forklift brake diagram. 12 Dec 2019 — A service brake assembly is installed at each end of the drive axle. The parts of the brake system are shown in Figures 1 and 2. When the brake ... 3 Feb 2019 — Service Brakes Repair (Dry Brake). 1800 SRM 1247. The wet disc brakes are a component of the wet brake drive axle. The brake discs are ... Hyster G007 (H170HD, H280HD) Forklift Service Repair Workshop Manual DOWNLOAD. Hyster F019 (H300-350HD, H360HD-EC) Forklift Service Repair Workshop Manual DOWNLOAD. Hyster D001 (H25XM H30XM H35XM H40XMS) Forklift Service Repair Workshop Manual DOWNLOAD. Hyster has a full-line of lift trucks including stand-up and sit-down forklifts, counterbalanced trucks and high capacity forklifts and container handlers.

Using Hyster D004 (S80XL) Forklift Service Repair Workshop Manual covers every single detail on your machine. Provides step-by-step instructions based on the complete disassembly of the machine. This Hyster D004 (S80XL) Forklift repair manual is an inexpensive way to keep you vehicle working properly. Hyster Forklift Truck Manuals Brochures Pdf Trucks Manual Fault Codes Dtc. Hyster forklift parts manuals free service manual h40 60xl b177 c177 challenger h70 80 90 100 110xl user h165 190 210 230 250 j25a j30as j35a e45 65xm business c98 f004 s120xms j30xnt k160 operation h45xm h50xm h55xm claas 1 electric motor toyota wiring diagram trucks 11 2020 repair truck j30 40xmt pdf factory 2018 for ... 3 Feb 2019 — This switch prevents engine from starting unless parking brake is applied. CAUTION On lift trucks equipped with the wet brake system, check the ... hyster or it’s successors. hyster and it’s successors are not responsible for the quality or accuracy of this manual. trade marks and trade names contained and used herein are those of others, and are used here in a descriptive sense to refer to the products of others. service manual

HYSTER Forklift Parts Catalog Lookup - Search By Model Number: Sort By: Page of 4 : Spring For Hyster : 197528 ... Spring Kit - Brake For Hyster : 996150 1 PER SIDE IN STOCK READY TO SHIP . Our Price: $15.60 . Spring Kit - Brake For Hyster : 996151 1 PER SIDE IN STOCK READY TO SHIP . 3 Feb 2019 — 50-5.00XL (H70-110XL) (F005/G005) lift trucks. The brake booster is a hydraulic valve actuated by the brake pedal. The brake booster uses the ... HYSTER FORKLIFT Spring Extension Red 0197527 323. This Service Manual has easy-to-read text sections with top quality diagrams and instructions. Compared to the electronic version and paper version there is a great advantage. 1800 SRM 1247 General General DRY BRAKE SYSTEM NOTE. Hyster D187 S40XM Hyster D187 S45XM. Hyster F187 (S40FT S50FT S60FT S70FT S55FTS) Forklift Service Repair Factory Manual is an electronic version of the best original maintenance manual. Compared to the electronic version and paper version, there is a great advantage. It can zoom in anywhere on your computer, so you can see it clearly.

Hyster Forklifts Parts Hyster Forklifts Parts For Sale

Hyster Forklifts Parts Hyster Forklifts Parts For Sale

29 Dec 2019 — These parts include the brake booster, master cylinder, and brake shoe assemblies. Description and Operation The brake pedal is connected to the ...

Hyster C098 E120xl3 Forklift Service Repair Manual By 163114103 Issuu

Hyster C098 E120xl3 Forklift Service Repair Manual By 163114103 Issuu

We can deliver cables, master brake cylinders, valves, new brake shoe pads, and more with efficiency. Take a look at our collection of Hyster forklift brakes and parts to repair your machine and get it back to work.If you need assistance, just call 616-796-6638 today!

Hyster C098 E120xl3 Forklift Service Repair Manual By 163114103 Issuu

Hyster C098 E120xl3 Forklift Service Repair Manual By 163114103 Issuu

3 Feb 2019 — 1800 SRM 1247. Service Brakes Repair (Dry Brake) 13. Install the drive wheels. Remove the lift truck from the blocks. Operate the lift truck ...

Equipment Inspection Repair Hyster 2 5 Ton Forklift Youtube

Equipment Inspection Repair Hyster 2 5 Ton Forklift Youtube

Hyster E024 S135ft Forklift Service Repair Manual

Hyster E024 S135ft Forklift Service Repair Manual

Hyster Hand Brake Cable Ls5123 Lsfork Lifts

Hyster Hand Brake Cable Ls5123 Lsfork Lifts

Hyster E019 H10 00xm 12ec Europe Forklift Service Repair Manual 1

Hyster E019 H10 00xm 12ec Europe Forklift Service Repair Manual 1

Wheel Brake Lh 25783 71102 New

Wheel Brake Lh 25783 71102 New

1

1

Hyster E25 35xm E40xms Service Manual Pdf Download Heydownloads Manual Downloads

Hyster E25 35xm E40xms Service Manual Pdf Download Heydownloads Manual Downloads

Balero Car Part Hyster Forklift Parts Breakdown

Balero Car Part Hyster Forklift Parts Breakdown

New Hyster S50xm Wiring Diagram And Forklift Starter Rhbakeitonline Hyster Forklift Ignition Switch Wirin Electrical Diagram Electrical Wiring Diagram Diagram

New Hyster S50xm Wiring Diagram And Forklift Starter Rhbakeitonline Hyster Forklift Ignition Switch Wirin Electrical Diagram Electrical Wiring Diagram Diagram

Hyster Challenger H45xm H50xm H55xm H60xm H65xm Forklift

Hyster Challenger H45xm H50xm H55xm H60xm H65xm Forklift

Hyster H3 50xl H4 00xl 5 H4 00xl 6 H4 50xl H5 00xl Forklift Truck F005 Ser Service Manual Eu Truck Service Manual Store

Hyster H3 50xl H4 00xl 5 H4 00xl 6 H4 50xl H5 00xl Forklift Truck F005 Ser Service Manual Eu Truck Service Manual Store

Hyster Forklift Manual 550 Xl

Hyster Forklift Manual 550 Xl

Hyster Forklift Replacement Parts For Forklifts Lift Trucks Fast Lift Parts

Hyster Forklift Replacement Parts For Forklifts Lift Trucks Fast Lift Parts

Practical Machinist Largest Manufacturing Technology Forum On The Web

Practical Machinist Largest Manufacturing Technology Forum On The Web

Hyster C098 E4 50xl Europe Forklift Service Repair Manual By 163114103 Issuu

Hyster C098 E4 50xl Europe Forklift Service Repair Manual By 163114103 Issuu

Hyster B177 H50xl Forklift Service Repair Manual By 163114103 Issuu

Hyster B177 H50xl Forklift Service Repair Manual By 163114103 Issuu

Hyster Forklift Class 5 Internal Combustion Engine Trucks D001 H1 50 1 75xm H2xms Service Manuals Eu Auto Repair Software Auto Epc Software Auto Repair Manual Workshop Manual Service Manual Workshop Manual

Hyster Forklift Class 5 Internal Combustion Engine Trucks D001 H1 50 1 75xm H2xms Service Manuals Eu Auto Repair Software Auto Epc Software Auto Repair Manual Workshop Manual Service Manual Workshop Manual

Hyster Forklift J1 60xmt J1 80xmt J2 00xmte160 Service Manual Pdf Download Heydownloads Manual Downloads

Hyster Forklift J1 60xmt J1 80xmt J2 00xmte160 Service Manual Pdf Download Heydownloads Manual Downloads

Hyster Brake Shoes Ls288 Lsfork Lifts

Hyster Brake Shoes Ls288 Lsfork Lifts

Hyster Challenger H300 330 360hd H360hd Ec E019 Pdf

Hyster Challenger H300 330 360hd H360hd Ec E019 Pdf

Hyster Forklift Brake System Manual Tradebit

Hyster Forklift Brake System Manual Tradebit

Hyster Forklift H4 0 Shop Manual Auto Repair Manual Forum Heavy Equipment Forums Download Repair Workshop Manual

Hyster Forklift H4 0 Shop Manual Auto Repair Manual Forum Heavy Equipment Forums Download Repair Workshop Manual

Untuk Bagian Hyster Dan Layanan Set Lengkap Dvd Manual Untuk Hyster Yale Pemindai Diagnostik Truk Forklift Alat Layanan Pc Yale Hyster Mobil Diagnostik Kabel Konektor Aliexpress

Untuk Bagian Hyster Dan Layanan Set Lengkap Dvd Manual Untuk Hyster Yale Pemindai Diagnostik Truk Forklift Alat Layanan Pc Yale Hyster Mobil Diagnostik Kabel Konektor Aliexpress

Hyster E024 S135ft Forklift Service Repair Manual

Hyster E024 S135ft Forklift Service Repair Manual

Hyster B416 J2 50xm Europe Forklift Service Repair Manual

Hyster B416 J2 50xm Europe Forklift Service Repair Manual

2

2

Hyster C098 E120xl3 Forklift Service Repair Manual

Hyster C098 E120xl3 Forklift Service Repair Manual

Hyster Empilhadeira Revisao De Freio Kit De Reconstrucao Modelo S120xl Pecas 026 Mitsubishi Ebay

Hyster Empilhadeira Revisao De Freio Kit De Reconstrucao Modelo S120xl Pecas 026 Mitsubishi Ebay

Hyster H40 00 48 00xm 12 H800 1050hd Hds Service Manual

Hyster H40 00 48 00xm 12 H800 1050hd Hds Service Manual

Hyster L005 H5 50 Xm Europe Forklift Service Repair Manual

Hyster L005 H5 50 Xm Europe Forklift Service Repair Manual

Jual Forklift Murah Daru Jakarta Pt Denko Wahana Sakti Jakarta Indotrading

Jual Forklift Murah Daru Jakarta Pt Denko Wahana Sakti Jakarta Indotrading

Hyster E024 S135ft Forklift Service Repair Manual

Hyster E024 S135ft Forklift Service Repair Manual

50 Inspirational Hyster Forklift Starter Wiring Diagram Forklift Diagram Wire

50 Inspirational Hyster Forklift Starter Wiring Diagram Forklift Diagram Wire

Hyster N005 H4 5 Fts5 Europe Forklift Service Repair Manual

Hyster N005 H4 5 Fts5 Europe Forklift Service Repair Manual

Hyster Yale Brake Spring Ls6587 Lsfork Lifts

Hyster Yale Brake Spring Ls6587 Lsfork Lifts

Untuk Bagian Hyster Dan Layanan Set Lengkap Dvd Manual Untuk Hyster Yale Pemindai Diagnostik Truk Forklift Alat Layanan Pc Yale Hyster Mobil Diagnostik Kabel Konektor Aliexpress

Untuk Bagian Hyster Dan Layanan Set Lengkap Dvd Manual Untuk Hyster Yale Pemindai Diagnostik Truk Forklift Alat Layanan Pc Yale Hyster Mobil Diagnostik Kabel Konektor Aliexpress

0 Response to "39 hyster forklift brake diagram"

Post a Comment

Iklan Atas Artikel

Iklan Tengah Artikel 1

Iklan Tengah Artikel 2

Iklan Bawah Artikel