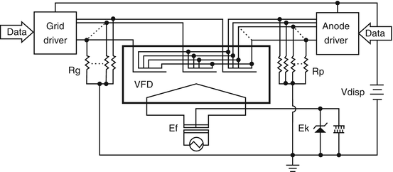
39 vacuum fluorescent display circuit diagram
Vacuum Fluorescent Display Controller. A simple interface circuit to drive VFD displays. No fancy parts required, and runs on serial communication. Advanced Full instructions provided 15,931. A bit of theory: I think it is helpful starting off by telling you how a vacuum fluorescent display works. It is great if you already how a triode vacuum tube works - the VFD itself actually IS a triode. Inside the vacuum glass package of the display, a tungsten filament is located above the anode segments.
Vacuum Fluorescent Display Filament Driver General Description The LM9022 is a bridged power amplifier capable of deliv-ering typically 2W of continuous average power into a 10Ω filament load when powered by a 5V power supply. To conserve power in portable applications, the LM9022’s micropower shutdown mode (I Q = 0.6µA, typ) is activated ...

Vacuum fluorescent display circuit diagram
5 steps1.A VFD display consists of filaments(heater), Grids, and Phosphor Anodes sealed in a rectangle vacuum tube.All the VFDs differ from each other only in the ...2.A VFD requires a High Voltage (12V to 30V or more), for its proper operation.The Filament (heater) of a VFD display requires around 3V - 3.3V for its ...3.This driver circuit makes us able to use the VFD with Arduino or any MCU of our choice (running at 5V).1) The filaments of the VFD requires a maximum ... Display: FUTABA 9-CT-08 5H 9 digit VFD (vacuum fluorescent display). chip: ceramic case General Instrument CF596 7534. This is a dead Lloyd's model E333 series 255A calculator that I sold since neonixie-l folks appreciate salvaging the 9 digit 7 segment VFD. A Vacuum Fluorescent Display (VFD) is a type of display that utilises anodes coated in a fluorescent material. When electrons from a heated cathode collide onto the anodes, they become illuminated and visible. They are usually found in consumer electronics products of the 80s and 90s, before the cheaper and less bright liquid crystal displays (LCD) became more popular.
Vacuum fluorescent display circuit diagram. In a static display, each anode segment is individually connected to a lead pin and a single grid covers all the display pattern in the VFD. This has the advantage in that it only requires 10 to 15 volts DC to illuminate the display and, in some cases, illumination is possible using standard 12 volts C-MOS logic. US Patent #4,004,186: Vacuum fluorescent display having a grid plate coplanar with the anode by Ernest Gerald Bylander, Texas Instruments Inc., January 18, 1977. US Patent #4,004,186: Vacuum fluorescent display for minimizing non-use area by Chul-Hyun Jang, Samsung Sdi Co., Ltd., Sepember 17, 2002. ... the drive voltage required for a vacuum fluorescent display (VFD) power supply in automotive applications. The design includes the complete schematic, ... VFDs are functionally equivalent to vacuum tubes. In fact, since some have an Control Grid to let the display be multiplexed, they can actually be used as a triode, and amplify a signal! To use a VFD, you have to have a basic understanding of how vacuum tubes work. Basically, a vacuum tube, has three components: The Filament (Also called the ...
1 answerJust connect ~3.3 volts on the filament and 12-24 volts on the phosphors and grids. No driver circuit required. Also, you need to connect a ground to the ... Here's the HNV11SS27 pinout from the schematic in the service manual, as covered in Salvaging a Samsung DVD-M101 Player: Knowing the theory of operation, the ... In this video I take a look at a Vacuum fluorescent display or VFD which I salvaged from an old DVD player. I show you how to power up these great displays a... The Vacuum Fluorescent (VF) Display is basically a vacuum tube. ... The schematic shows that the outputs are NPN Darlingtons and are capable.
A Vacuum Fluorescent Display (VFD) is a type of display that utilises anodes coated in a fluorescent material. When electrons from a heated cathode collide onto the anodes, they become illuminated and visible. They are usually found in consumer electronics products of the 80s and 90s, before the cheaper and less bright liquid crystal displays (LCD) became more popular. Display: FUTABA 9-CT-08 5H 9 digit VFD (vacuum fluorescent display). chip: ceramic case General Instrument CF596 7534. This is a dead Lloyd's model E333 series 255A calculator that I sold since neonixie-l folks appreciate salvaging the 9 digit 7 segment VFD. 5 steps1.A VFD display consists of filaments(heater), Grids, and Phosphor Anodes sealed in a rectangle vacuum tube.All the VFDs differ from each other only in the ...2.A VFD requires a High Voltage (12V to 30V or more), for its proper operation.The Filament (heater) of a VFD display requires around 3V - 3.3V for its ...3.This driver circuit makes us able to use the VFD with Arduino or any MCU of our choice (running at 5V).1) The filaments of the VFD requires a maximum ...
Vacuum Fluorescent Display Watch Ivl2 7 5 Vakuumnye Chasy S Fluorescentnym Displeem Ivl 2 7 5 Share Project Pcbway
Index Of Poliban Eepis Antarmuka P001 Paralelport Reff C Io I O Ports Uncensored Part 2 Controlling Lcds Liquid Crystal Displays And Vfds Vacuum Fluorescent Displays With Parallel Port The Code Project C Programming Files
Nutube Vacuum Tube Audio Power Amplifier Vacuum Fluorescent Display Electronic Circuit Png Clipart Angle Area Audi
Reverse Engineering The Pinout Of Vacuum Fluorescent Displays Vfds Hnv11ss27 Fip7fm7 And Hnv 08ss53 By R X Seger Medium
0 Response to "39 vacuum fluorescent display circuit diagram"
Post a Comment