Iklan 300x250

38 2000 chevy cavalier wiring diagram

2004 Chevy Cavalier Wiring Diagram | My Wiring DIagram 1988 Cavalier Wiring Diagram Wiring Diagram New 1988 Cavalier Wiring Diagram 2000 Chevy S10 Wiring Harness Wiring Diagram Centre 2000 Cavalier Dimmer Thanks for visiting our website to search 2004 Chevy Cavalier Wiring Diagram . Hopefully we provide this can be useful for you. community-for-friends.de 21.02.2022 · A wiring diagram usually gives instruction nearly the relative aim and accord of 85-88 SS Steering Wheel Emblem. Works on 1969-current GM, Chrysler and Ford vehicles with Saginaw steering columns. OEM TOOLS 27044 Steering Wheel Lock Plate Remover, Extended Yoke Browse GM's extensive portfolio of Original Equipment parts brought to you by GM …

RENAULT Fault Codes DTC - Car PDF Manual, Wiring Diagram ... 12.01.2015 · I have a 2000 Chevy Blazer S10 the VIN number is 1 GNC t18w4yk230490 may I please have the wiring diagram for the engine the harness and all to the engines fucked I need to get all the wires hooked up correctly the wiring room is messed up so I have spaghetti everywhere almost got it done but just wanted to double check everything thanks #469. Gert …

2000 chevy cavalier wiring diagram

2000 chevy cavalier wiring diagram

2000 Cavalier Radio Wiring Diagram - Wiring Schema 12 97 Chevy Cavalier Engine Wiring Diagram Engine Diagram In. 2002 Chevy Silverado Wiring Diagram Truck Stereo Chevy Impala. 1997 Chevy Blazer Wiring Diagram Free Download Within 2000 S10 On. HONDA - Car PDF Manual, Wiring Diagram & Fault Codes DTC 12.01.2015 · I have a 2000 Chevy Blazer S10 the VIN number is 1 GNC t18w4yk230490 may I please have the wiring diagram for the engine the harness and all to the engines fucked I need to get all the wires hooked up correctly the wiring room is messed up so I have spaghetti everywhere almost got it done but just wanted to double check everything thanks #469. Gert … Chevrolet — Электросхемы Для Автомобилей Wiring Diagrams CHEVROLET by Model. Chevrolet Cavalier RS Chevrolet Cavalier VL Chevrolet Cavalier Z24 Chevrolet Celebrity Chevrolet CHD 1991 Chevy Express G2000 Chevrolet Chevy Express G2001 Chevrolet Chevy Express G2002 Chevrolet Chevy Express...

2000 chevy cavalier wiring diagram. 2003 Chevy Cavalier Headlight Wiring Diagram - Headlamp Ground... 98 cavalier headlight wiring diagram wiring library 1996 chevy lumina engine wiring diagram introduction to electrical 2001 chevy cavalier 2004 chevy cavalier fuse box diagram wiring library need a 1981 ca vacuum diagram fsm download pic is ideal 2002 chevy cavalier exhaust system. 2000 Chevrolet Cavalier Wiring Diagram Database - Wiring Collection Repairing electrical wiring, a lot more than any other household project is about protection. Install an outlet correctly and it's as safe as that can be; do the installation improperly and it can potentially deadly. That's why there are numerous guidelines surrounding electrical cabling and installations. Chevy Cavalier Wiring Diagram Database Chevy Cavalier Wiring Diagram from i.pinimg.com. Print the cabling diagram off in addition to use highlighters to trace the circuit. Read electrical wiring diagrams from negative to positive and redraw the circuit being a straight range. All circuits are the same - voltage, ground, single component, and... 1991-2003 Chevy Cavalier wiring diagram (wiring harness) RC » home» chevrolet » 1991-2003 Chevy Cavalier wiring diagram (wiring harness). The a complete wiring harness information, which can help you easily find the wire color and location, the wiring diagram covers 1991-2003 Chevy Cavalier.

Chevrolet Cavalier Wiring Diagrams 69 Chevrolet Cavalier Workshop, Owners, Service and Repair Manuals. Updated - September 21. We have 69 Chevrolet Cavalier manuals covering a These Cavalier manuals have been provided by our users, so we can't guarantee completeness. We've checked the years that the manuals cover and... 2000 Chevrolet Cavalier Car Stereo Radio Wiring Diagram Car... i need a audio wiring diagram 2000 chevy cavalier audio wiring diagram - Chevrolet 2000 Cavalier question. Free Chevrolet Vehicles Diagrams... :: Schematics Unlimited 1955 chevrolet car wiring diagrams [3 MB]. 1992 chevrolet cavalier j body engine control wiring diagram [114 KB]. 1997 chevrolet s10 ground distribution system 22l engine part 1 [37 KB]. chevrolet chevy ii nova electrical wiring diagram [254 KB]. Where can i find a free Chevrolet Cavalier wiring diagram? - Answers The wiring diagram can be found in Chevrolet service manuals at your local library. Where can you get a Wiring diagram for the stereo for a 94 Chevy Where can I find a free Chevy Cavalier Ignition Wiring Diagram? I would recomend buying a repair manual for your cavalier, they have wiring...

Chevy Cavalier Radio Wiring - Wiring Diagram 2005 Chevy Cavalier Radio Wiring Harness Wiring Diagram Blog. Installing an aftermarket jvc stereo head unit for my nephew into his 2000 chevy cavalier. Automotive wiring in a 2004 chevrolet cavalier vehicles are becoming increasing more difficult to identify due to the installation ofcop this deal. 2000 Chevy Cavalier Wiring Diagram Needed - Chevrolet Forum... Cavalier Starting in the 1980s. the Cavalier made a name for itself by offering an affordable 2 and 4 door compact. I'm having issues with my daytime running lamps and am in need of a wiring diagram for my 2000 Chevy Cavalier--2-door coupe. Chevrolet Service & Repair Manuals - Wiring Diagrams Chevrolet Cavalier 1995-2001 Repair Manual Download. Chevy Aveo wiring diagram and fuse box diagram pertaining to Download. Aveo Starter Replacement Wiring Diagrams. Chevrolet Service Manuals Free Download | Carmanualshub.com Download. Chevrolet 2005 Uplander Electrical Wiring Diagram.pdf. Download. Chevrolet Cavalier And Sunfire Repair Manual Haynes 1995 - 2001.pdf. Impala (1958-1985, 1994-2000, 2000 - present time). Laguna. Lacetti.

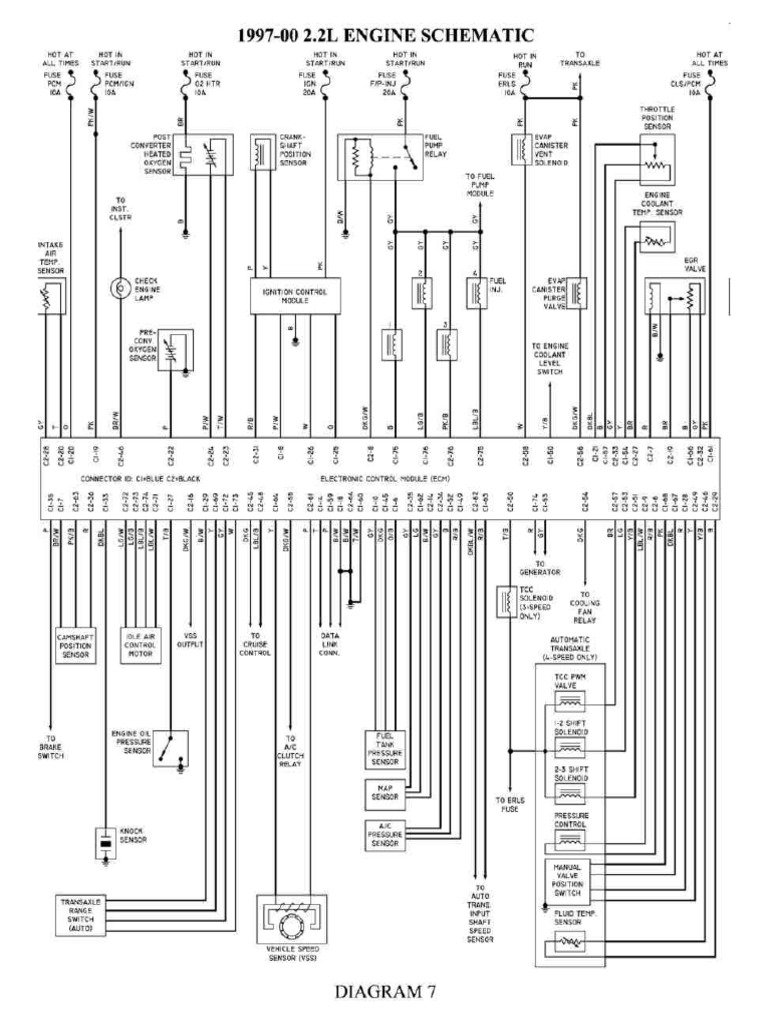
2.2l Engine Schematic Diagram of 1997 2000 Chevrolet Cavalier ...

2.2l Engine Schematic Diagram of 1997 2000 Chevrolet Cavalier ...

2000 Chevy Cavalier Headlight Wiring Diagram - Collection - Wiring... Print the wiring diagram off plus use highlighters to trace the signal. When you make use of your finger or perhaps the actual circuit with your eyes, it is easy I printing the schematic and highlight the signal I'm diagnosing in order to make sure Im staying on right path. 2000 Chevy Cavalier Headlight Wiring...

which light switch? | Corvette Forum : DigitalCorvettes.com ...

which light switch? | Corvette Forum : DigitalCorvettes.com ...

Электросхемы Кавалер | Автоклуб Cavalier Club... 1997_chevrolet_cavalier_wiring все эл схемы.rar.

Part 2 -How to Test the Ignition Module and Crank Sensor (GM ...

Part 2 -How to Test the Ignition Module and Crank Sensor (GM ...

Chevrolet Service Repair Manuals 2000-2001 Chevrolet Corvette Service Repair Manual + Wiring Diagram. This manual includes the procedures for maintenance, disassembling, reassembling The do-it-yourself Chevy SS (2013-2017) owner will find this manual indispensable as a source of detailed maintenance and repair information ...

CHEVROLET Car Radio Stereo Audio Wiring Diagram Autoradio ...

CHEVROLET Car Radio Stereo Audio Wiring Diagram Autoradio ...

2000 Chevy Cavalier Cooling System Diagram - Wiring Diagram... 2000 cavalier fuel system diagram wiring diagram database install 1998 chevy cavalier fuel pump wiring diagram toyskids co drag racing fuel system diagrams 2000 cavalier fuel system diagram. The cavalier has a bleed screw located on the high part of the metal coolant pipe in the front of the engine.

Junkyard Find: 1998 Chevrolet Cavalier Z24 - The Truth About Cars

Junkyard Find: 1998 Chevrolet Cavalier Z24 - The Truth About Cars

PDF 2000 Chevy Cavalier Wiring Diagram Kindle File Format 2000 Chevy Cavalier Wiring Diagram. You may not be perplexed to enjoy all books collections 2000 Chevy Cavalier Wiring Diagram that we will extremely offer. It is not almost the costs.

Chevy Cavalier Stereo Wiring Diagram - My Pro Street

Chevy Cavalier Stereo Wiring Diagram - My Pro Street

I need a 94 cavalier wiring diagram - having headlight and electrical... 94 cavalier: wiring diagram..electrical issues..low beams..bulbs… Hi I have a 2000 s-10 headlamps do not work high or low beams. Have power all the way to bulbs and no fuses are blown Where is the headlight relay on a '96 chevy cavalier sedan. It's not in the power distribution center under the hood...

Bulldog Security Diagrams

Bulldog Security Diagrams

89 CAVALIER WIRING DIAGRAM - Auto Electrical Wiring Diagram 2000 Chevrolet Cavalier Car Stereo Radio Wiring Diagram. This wire runs from the Related searches for 89 cavalier wiring diagram 2001 chevy cavalier wiring diagram2004 chevy cavalier wiring diagram2001 chevy cavalier starter wiring4 way switch wiring diagramtrailer lights wiring...

Fuse box location and diagrams: Chevrolet Cavalier (1995-2005)

Fuse box location and diagrams: Chevrolet Cavalier (1995-2005)

2000 Chevy Cavalier Headlight Wiring Diagram 1999... | autocardesign 1999 cavalier wiring diagram wiring diagram val. Related Posts of "2000 Chevy Cavalier Headlight Wiring Diagram 1999 Cavalier Wiring Diagram Wiring Diagram Val".

I need a electrical wiring diagram for a 1997 cavalier. I'm ...

I need a electrical wiring diagram for a 1997 cavalier. I'm ...

instrument-cluster-wiring-diagram-of-1997-chevrolet-cavalier chevrolet-cavalier-wiring-diagram-circui. Portable Network Image Format 28.6 KB. Headquartered Chevy was established in Detroit, and the newly formed brand was "christened" by getting his famous logo All manuals, wiring diagrams and fault codes DTC list for 2000 Ford Mustang 3.8l v6 please.

HEADLIGHTS – Chevrolet Cavalier Z24 2000 – SYSTEM WIRING ...

HEADLIGHTS – Chevrolet Cavalier Z24 2000 – SYSTEM WIRING ...

Chevy Cavalier and Pontiac Sunfire 1995-2000 Wiring Diagrams... Oct 18, 2020 - Find out how to access AutoZone's Wiring Diagrams Repair Guide for Chevy Cavalier and Pontiac Sunfire 1995-2000 . AutoZone's Repair Guides tell you what you need to know to do the job right.

DADRL - How To Disable DRLs

DADRL - How To Disable DRLs

2000 Chevy Cavalier Exhaust System Diagram - Wiring Diagram... 98 cavalier headlight wiring diagram wiring library 1996 chevy lumina engine wiring diagram introduction to electrical 2001 chevy cavalier 2004 chevy cavalier fuse box diagram wiring library need a 1981 ca vacuum diagram fsm download pic is ideal 2002 chevy cavalier exhaust system.

GM Fuel Pump Wiring Diagram | Online Car Repair Manuals

GM Fuel Pump Wiring Diagram | Online Car Repair Manuals

02 Chevy Cavalier Wiring Diagram - Wiring Diagram Schemas 2002 Chevrolet Cavalier Wiring Diagram Machine Learning. Autozone repair guide for your chassis electrical wiring diagrams wiring diagrams. I need a audio wiring diagram 2000 chevy cavalier audio wiring diagram chevrolet 2000 cavalier question.

SOLVED: Need the wiring diagram of the ignition module - Fixya

SOLVED: Need the wiring diagram of the ignition module - Fixya

1991-2003 Chevy Cavalier Wiring Diagram (Harness) its a complete wiring harness information that can help you find the wire color and location easily, the wiring diagram covers 1991-2003 Chevy Cavalier. 12V Constant Wire Color Red location Ignition harness.

2000-2005 Chevrolet Cavalier, Pontiac Sunfire – NEWROCKIES Inc.

2000-2005 Chevrolet Cavalier, Pontiac Sunfire – NEWROCKIES Inc.

30 2005 Chevy Cavalier Stereo Wiring Diagram - Wiring Diagram... 2000 chevrolet cavalier car stereo radio wiring diagram car radio constant 12v wire. How to install car radio autoradio wiring harness stereo installation. Automotive wiring in a 2005 chevrolet cavalier vehicles are becoming increasing more difficult to identify due to the installation of read more...

Bulldog Security Diagrams

Bulldog Security Diagrams

91-04 Chevrolet Cavalier Wiring Information | PDF | Trunk (Car) WIRING INFORMATION: 1993 Chevy Cavalier WIRE WIRE COLOR WIRE LOCATION 12V CONSTANT WIRE RED Ignition harness STARTER WIRE YELLOW Ignition harness IGNITION WIRE PINK Ignition harness ACCESSORY WIRE ORANGE Ignition Harness POWER DOOR LOCK (+) LT.

2.2l Engine Schematic Diagram of 1997 2000 Chevrolet Cavalier ...

2.2l Engine Schematic Diagram of 1997 2000 Chevrolet Cavalier ...

Chevrolet — Электросхемы Для Автомобилей Wiring Diagrams CHEVROLET by Model. Chevrolet Cavalier RS Chevrolet Cavalier VL Chevrolet Cavalier Z24 Chevrolet Celebrity Chevrolet CHD 1991 Chevy Express G2000 Chevrolet Chevy Express G2001 Chevrolet Chevy Express G2002 Chevrolet Chevy Express...

Fits Chevy Cavalier 2000-2005 Double DIN Harness Radio Install Dash Kit

Fits Chevy Cavalier 2000-2005 Double DIN Harness Radio Install Dash Kit

HONDA - Car PDF Manual, Wiring Diagram & Fault Codes DTC 12.01.2015 · I have a 2000 Chevy Blazer S10 the VIN number is 1 GNC t18w4yk230490 may I please have the wiring diagram for the engine the harness and all to the engines fucked I need to get all the wires hooked up correctly the wiring room is messed up so I have spaghetti everywhere almost got it done but just wanted to double check everything thanks #469. Gert …

2001 Cavalier & Sunfire Wiring Diagram Original

2001 Cavalier & Sunfire Wiring Diagram Original

2000 Cavalier Radio Wiring Diagram - Wiring Schema 12 97 Chevy Cavalier Engine Wiring Diagram Engine Diagram In. 2002 Chevy Silverado Wiring Diagram Truck Stereo Chevy Impala. 1997 Chevy Blazer Wiring Diagram Free Download Within 2000 S10 On.

2.2 4-cylinder VIN 4 firing order — Ricks Free Auto Repair ...

2.2 4-cylinder VIN 4 firing order — Ricks Free Auto Repair ...

CHEVROLET - Car PDF Manual, Wiring Diagram & Fault Codes DTC

CHEVROLET - Car PDF Manual, Wiring Diagram & Fault Codes DTC

Chevrolet Cavalier Questions - No power at PCM/Inj fuse ...

Chevrolet Cavalier Questions - No power at PCM/Inj fuse ...

CHEVROLET - Car PDF Manual, Wiring Diagram & Fault Codes DTC

CHEVROLET - Car PDF Manual, Wiring Diagram & Fault Codes DTC

1988 Chevy Cavalier Electrical Diagnosis Manual Original

1988 Chevy Cavalier Electrical Diagnosis Manual Original

Part 1 -How to Test the GM 2.2L Ignition Coil Pack

Part 1 -How to Test the GM 2.2L Ignition Coil Pack

Wiring Diagrams and Free Manual Ebooks: 1997-2000 Chevrolet ...

Wiring Diagrams and Free Manual Ebooks: 1997-2000 Chevrolet ...

4th Gen LT1 F-Body Tech Aids

4th Gen LT1 F-Body Tech Aids

Connector pinout

Connector pinout

2000 Chevrolet Cavalier Installation Parts, harness, wires ...

2000 Chevrolet Cavalier Installation Parts, harness, wires ...

Huge mistakeeee - aftermarket radio / oem harness - Monte ...

Huge mistakeeee - aftermarket radio / oem harness - Monte ...

Chevrolet Cavalier (2000) - fuse box diagram - Auto Genius

Chevrolet Cavalier (2000) - fuse box diagram - Auto Genius

Need wiring diagram for 2000 Chevy Cavalier 4-door

Need wiring diagram for 2000 Chevy Cavalier 4-door

SOLVED: '04 Cavalier starter won't engage/activate - 1995 ...

SOLVED: '04 Cavalier starter won't engage/activate - 1995 ...

ecu pinout diagram - GM Forum - Buick, Cadillac, Olds, GMC ...

ecu pinout diagram - GM Forum - Buick, Cadillac, Olds, GMC ...

SOLVED: Spark plug wire diagram 2000 Cavalier 2.2 - Fixya

SOLVED: Spark plug wire diagram 2000 Cavalier 2.2 - Fixya

Chevy Cavalier and Pontiac Sunfire 1995-2000 Wiring Diagrams ...

Chevy Cavalier and Pontiac Sunfire 1995-2000 Wiring Diagrams ...

Sunfire,Cavalier,J Body Headlight Problems

Sunfire,Cavalier,J Body Headlight Problems

SOLVED: I need a audio wiring diagram - Fixya

SOLVED: I need a audio wiring diagram - Fixya

Wiring Diagrams for Cars, Trucks, & SUVs - AutoZone

Wiring Diagrams for Cars, Trucks, & SUVs - AutoZone

0 Response to "38 2000 chevy cavalier wiring diagram"

Post a Comment

Iklan Atas Artikel

Iklan Tengah Artikel 1

Iklan Tengah Artikel 2

Iklan Bawah Artikel