Iklan 300x250

39 murray lawn mower ignition switch wiring diagram

Murray Lawn Mower Ignition Switch Wiring Diagram - Database... The rules can be complicated, for sure, and sometimes complicated, even for learn electricians, but you will find basic concepts and practices that apply to almost every electrical wiring project, specifically the kind that DIYers are qualified to tackle. Murray Lawn Mower Ignition Switch Wiring Diagram. Murray Solenoid Wiring Diagram - Diagram : Resume Example Ideas... Murray Riding Lawn Mower Ignition Switch Wiring Diagram. Murray Lawn Tractor Electrical Diagram. Resume Example Ideas. Omron Latching Relay Wiring Diagram.

How to test and repair ignition system problems? | Briggs & Stratton No spark in your lawn mower or snowblower engine? Use this guide to test & troubleshoot ignition system problems - including coil & switch replacement. The ignition system is the starting system for your small engine. Whether you start the engine with a pull rope or the turn of a key on an electric...

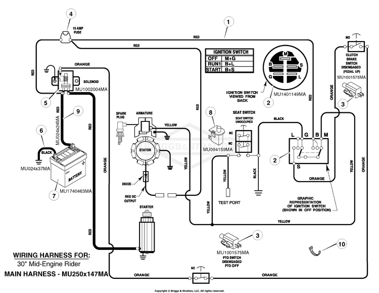
Murray lawn mower ignition switch wiring diagram

Murray lawn mower ignition switch wiring diagram

Wiring Diagram For A Craftsman Lawn Mower Variety of craftsman lawn mower model 917 wiring diagram. Wiring all electrical components such as. Craftsman lawn tractor wiring diagram collections of wiring diagram for ignition switch lawn Craftsman Riding Mower Electrical Diagram Wiring Diagram. Murray Lawn Mower Starters... Mower Ignition Switch Wiring Tips. Skip to 3:40 for Actual Content... I needed a key switch that had a constant power source even when cranking, so here's how YOU can check your own key switch to make sure it will work. Murray Lawn Mower Ignition Switch Wiring Diagram - Cadician's Blog Murray Lawn Tractor Wiring Diagram Wiring Diagram 17 6 | Hastalavista - Murray Lawn Mower Ignition Switch Wiring Diagram. Wiring Diagram not only provides detailed illustrations of what you can do, but in addition the methods you ought to stick to while performing so.

Murray lawn mower ignition switch wiring diagram. Murray Lawn Mower Ignition Switch Wiring Diagram Mowers Wiring Diagram Wiring Diagram - depilacija from murray lawn mower ignition switch wiring diagram , source:depilacija.me Lawn So, if you like to obtain these awesome pics related to (Murray Lawn Mower Ignition Switch Wiring Diagram ), simply click save link to save these pics in... 32 Murray Lawn Mower Ignition Switch Wiring Diagram Murray riding lawn mower wiring diagram welcome to my internet site this message will discuss concerning murray riding lawn mower wiring diagram. Re wire a riding lawn mower. Lawn mower ignition switch wiring diagram elegant lawn mower. bozeba.de › toro-z-master-hydro-problemsbozeba.de Toro z master hydro problems ... Murray Lawn Mower Ignition Switch Wiring Diagram Jacks has replacement murray ignition switches to help get you started on your murray tractor repair or maintenance project. Clutch brake s...

Murray Lawn Mower Solenoid Wiring Diagram Riding mower solenoid wiring diagram Questions & Answers (with Pictures) . Gravely wire diagram gravely pro turn parts diagram for i need a wireing diagram for a gravely tractor model kohler wiring diagram kohler image wiring diagram starter drive belt iezy9.boydsfarm.co. Murray Lawn Mower Ignition Switch Wiring Diagram - Collection... Print the wiring diagram off plus use highlighters to trace the signal. When you make use of your finger or perhaps the actual circuit with your eyes, it is easy I printing the schematic and highlight the signal I'm diagnosing in order to make sure Im staying on right path. Murray Lawn Mower Ignition Switch... 3 Most Common Lawn Mower Ignition Switch Problems - The Austle The ignition switch of a Lawn Mower can get damaged by breaking, corroding, or loosening. These are the most common defects that create You'll find a wire harness attached to the ignition switch's back part, disconnect it. You may find it a bit difficult to unplug, but simply wiggling the plug will help... Murray Lawn Mower Schematics - Car Wiring Diagram File Name : murray_riding_lawn_mower_wiring_diagram_ignition_switch_universal_stuning_solenoid_4_5b844c98220ca_1.jpg Dimensions : 600x404 Ratio : 3:2 File Size : 59 KB File Type : image/jpeg.

Lawn Mower Ignition Switch Wiring Diagram - Wiring Forums This specific graphic (Lawn Mower Ignition Switch Wiring Diagram | Floralfrocks) preceding is actually branded having: diesel tractor ignition The Elegant along with Stunning Tractor Ignition Switch Wiring Diagram for Motivate Your own home Existing Property Inviting Fantasy Household. Murray Lawn Mowers Manuals - Free Catalogs A to Z Murray Lawn Mower Ignition Switch Wiring Diagram - Wiring. 9 hours ago murray lawn mower ignition switch wiring diagram - You will want a comprehensive, skilled, and easy to comprehend Wiring Diagram. PDF Murray Lawn Mower Ignition Wiring Diagram 425615x99b Kindly say, the Murray Lawn Mower Ignition Wiring Diagram 425615x99b is universally compatible with any devices to read. murray-lawn-mower-ignition-wiring-diagram-425615x99b. Murray Riding Lawn Mower Wiring Diagram | autocardesign murray 46904x92a lawn tractor 1996 parts diagrams dynamark wiring diagram wiring diagram files riding lawn mower drawing at paintingvalley com throughout mtd 7 fine yard man riding mower wiring diagram photos electrical simple mtd lawn tractor ignition switch 11 wiring diagram for mtd...

HD Switch Ignition Key Switch Wiring Harness 18

HD Switch Ignition Key Switch Wiring Harness 18" Long - Garden Lawn Tractor - Standard 5 pin Replaces Toro Exmark Hustler John Deere M90206 Cub Cadet ...

Collection of riding lawn mower ignition switch wiring diagram. 3 Position Ignition Switch Wiring Diagram New Lawn Mower Ignition. A wiring diagram is a basic graph of the physical links as well as physical design of an electric system or circuit.

Rotary # 9623 Ignition Switch for Murray # 92556-RT-9623-1

Rotary # 9623 Ignition Switch for Murray # 92556-RT-9623-1

Lawn Mower Ignition Switch Wiring Diagram - The Wiring Wiring Diagram comes with numerous easy to stick to Wiring Diagram. Riding Lawn Mower Ignition Switch Wiring Diagram craftsman riding Unique Simple Switch Wiring Diagram Wiringdiagram Diagramming Diagramm Visuals Visualisation Graphical Check More At Https Diagram Wire...

Wiring Diagrams. 1455 electrical system | Garden Tractor Forums

Wiring Diagrams. 1455 electrical system | Garden Tractor Forums

Murray Lawn Mower Ignition Switch Wiring Diagram For Your Needs To properly read a electrical wiring diagram, one has to find out how typically the components in the system operate. I printing the schematic and highlight the signal I'm diagnosing in order to make sure I'm staying on right path. Murray Lawn Mower Ignition Switch Wiring Diagram Source...

How to rewire a riding lawn mower super easy

How to rewire a riding lawn mower super easy

Downloading Murray Lawn Mower Ignition Switch Wiring Diagram... Details of Murray Lawn Mower Ignition Switch Wiring Diagram Wiring. You can download and save this image for free.

33383 NEW Key Ignition Switch for MURRAY 92556 – Randy's ...

33383 NEW Key Ignition Switch for MURRAY 92556 – Randy's ...

Murray Riding Lawn Mower Parts Diagram - Free Wiring Diagram If you need murray lawn mower parts to get your mower back in working condition enter your machines model number in the search bar above. Murray Lawn Mower Belt Diagram Google Search Auto Pinterest Wiring. Murray Riding Lawn Mowers Troubleshooting Picture Of Recalled...

Murray 46

Murray 46" Lawn Tractor | 461007x92A | eReplacementParts.com

Murray Riding Mower Ignition Switch Fix | BookMarks and Favorites The riding lawn mower blade appeared to have no damage. I took the spark plug wire off the spark plug for safety. I went on to youtube and found a great video on troubleshooting a ignition switch. I viewed "Basic Electrical Troubleshooting for Lawn & Garden Tractors" I hope this video helps you...

rewire of Murray rider - DoItYourself.com Community Forums

rewire of Murray rider - DoItYourself.com Community Forums

Murray Lawn Mower Ignition Switch Wiring Diagram For Your Kohler Engine Key Switch Wiring. Lawn Mower Ignition Switch Wiring Diagram. Murray Lawn Tractor Wiring Diagram. Diagram Collection Of Wiring Diagram For John Deere.

I have a murray riding mower with a briggs and stratton 12.5 ...

I have a murray riding mower with a briggs and stratton 12.5 ...

Murray Solenoid Wiring Diagram Murray Lawn Mower Wire Schematic Wiring Diagram. 31d777 0035 E1 18 Hp Lawn Mower Engine I Need Wiring. Looking For Murray Model 0 40607x9a Front Engine Lawn. Easy. Home Helios. Murray Ignition Wiring Diagram Data And Small Engine Switch.

HOW TO TEST a RIDING LAWNMOWER KEY SWITCH. How to Test a 5 PRONG LAWNMOWER  IGNITION SWITCH

HOW TO TEST a RIDING LAWNMOWER KEY SWITCH. How to Test a 5 PRONG LAWNMOWER IGNITION SWITCH

Lawn Mower Ignition Switch Wiring Diagram | Fuse Box And Wiring... Lawn mower ignition switch wiring diagram - thanks for visiting my internet site, this blog post will discuss about lawn mower ignition switch wiring diagram. We have accumulated lots of images, with any luck this picture works for you, and also assist you in discovering the answer you are trying to find.

Pin on Wiring diagram 18hp

Pin on Wiring diagram 18hp

weedreefertoyou.us › exmark-mower-problemsweedreefertoyou.us 2 days ago · EXMARK PNS24KA523. exmark dealer portal pages are updated regularly by the exmark. Exmark Lazer Z HP User Manual • Schematics, Electrical diagram — kohler, Ignition switch • Exmark Gardening equipment. Schools Details: Mower Troubleshooting & Service Tips. A zero-turn lawn mower is a grass-cutting power tool that doesn’t have a turning ...

Mercury Outboard Wiring diagrams -- Mastertech Marin

Mercury Outboard Wiring diagrams -- Mastertech Marin

Support | Manuals | Murray | Zero Turn Mowers Model Numbers on Murray riding lawn mowers are found on the back of the mower or under the seat. Model numbers on Murray push mowers and walk behind mowers are normally on the center of the deck between the brackets that mount the lower handle.

SOLVED: Murray mower will not start - Murray Riding Mower ...

SOLVED: Murray mower will not start - Murray Riding Mower ...

PDF 6 Pin Lawn Mower Ignition Switch Wiring 6 Pin Lawn Mower Ignition Buy a Ignition Switch, 6-Pin [925-1396A] for your Lawn Equipment - This is an OEM sourced replacement ignition switch that is commonly Murray Riding Lawn Mowers 6 Pin Ignition Switch Diagram will definitely help you in increasing the efficiency of. Page 5/28.

Craftsman Riding Mower Electrical Diagram | Craftsman lawn ...

Craftsman Riding Mower Electrical Diagram | Craftsman lawn ...

Free Murray Lawn Mower User Manuals | ManualsOnline.com Switch Manuals. Murray Electric Lawn Mower OPERATION Manual 22" Self-Propelled. Murray Lawn Mower 309007x8B. Murray Ride-on Mowers Instruction Book.

Model 616 1997 Wiring Assembly - Grasshopper Lawn Mower ...

Model 616 1997 Wiring Assembly - Grasshopper Lawn Mower ...

Murray Lawn Mower Ignition Switch Wiring Diagram - easywiring Collection of riding lawn mower ignition switch wiring diagram. A wiring diagram is a simplified traditional pictorial depiction of an electric circuit. Each part ought to be set and connected with other parts in specific way.

ignition switch problems | Weekend Freedom Machines

ignition switch problems | Weekend Freedom Machines

Murray Lawn Mower Ignition Switch Wiring Diagram - Cadician's Blog Murray Lawn Tractor Wiring Diagram Wiring Diagram 17 6 | Hastalavista - Murray Lawn Mower Ignition Switch Wiring Diagram. Wiring Diagram not only provides detailed illustrations of what you can do, but in addition the methods you ought to stick to while performing so.

craftsman wiring diagram Questions & Answers (with Pictures ...

craftsman wiring diagram Questions & Answers (with Pictures ...

Mower Ignition Switch Wiring Tips. Skip to 3:40 for Actual Content... I needed a key switch that had a constant power source even when cranking, so here's how YOU can check your own key switch to make sure it will work.

Circuit Diagram & Explanation

Circuit Diagram & Explanation

Wiring Diagram For A Craftsman Lawn Mower Variety of craftsman lawn mower model 917 wiring diagram. Wiring all electrical components such as. Craftsman lawn tractor wiring diagram collections of wiring diagram for ignition switch lawn Craftsman Riding Mower Electrical Diagram Wiring Diagram. Murray Lawn Mower Starters...

ignition switch problems | Weekend Freedom Machines

ignition switch problems | Weekend Freedom Machines

ignition switch?

ignition switch?

Arnold Riding Mower Ignition Switch in the Lawn Mower Parts ...

Arnold Riding Mower Ignition Switch in the Lawn Mower Parts ...

Briggs & Stratton Yard Power (formerly Murray)_ ...

Briggs & Stratton Yard Power (formerly Murray)_ ...

Briggs Engine Wiring Diagram

Briggs Engine Wiring Diagram

IGNITION SWITCHES AND KEYS FOR LAWN MOWERS

IGNITION SWITCHES AND KEYS FOR LAWN MOWERS

309029x11E Murray - 10/30, Heritage Tractor (2007 ...

309029x11E Murray - 10/30, Heritage Tractor (2007 ...

917 25751 ignition switch diagram? | My Tractor Forum

917 25751 ignition switch diagram? | My Tractor Forum

wiring diagram - AllisChalmers Forum

wiring diagram - AllisChalmers Forum

Yellow Wire & Seat Switch | My Tractor Forum

Yellow Wire & Seat Switch | My Tractor Forum

My first Tractor Questions | Page 2 | My Tractor Forum

My first Tractor Questions | Page 2 | My Tractor Forum

Pin on wiring

Pin on wiring

Why won't my riding mower start?

Why won't my riding mower start?

SOLVED: I need a wiring diagram for a craftsman ignition - Fixya

SOLVED: I need a wiring diagram for a craftsman ignition - Fixya

318/420 ignition switch bad | Green Tractor Talk

318/420 ignition switch bad | Green Tractor Talk

Ignition switch help for chipper | My Tractor Forum

Ignition switch help for chipper | My Tractor Forum

How to wire a lawnmower ignition switch, step by step ...

How to wire a lawnmower ignition switch, step by step ...

Ignition Key Switch w/ Key for MURRAY 94762 94762MA 94762MAX Lawn Mower  Tractor

Ignition Key Switch w/ Key for MURRAY 94762 94762MA 94762MAX Lawn Mower Tractor

MURRAY RIDING LAWN MOWER TRACTOR IGNITION SWITCH 92377

MURRAY RIDING LAWN MOWER TRACTOR IGNITION SWITCH 92377

starter solenoid wiring diagram from battery to solenoid ...

starter solenoid wiring diagram from battery to solenoid ...

Stens 430-770 Starter Switch Replaces MTD 925-1396A Snapper ...

Stens 430-770 Starter Switch Replaces MTD 925-1396A Snapper ...

How to Replace Lawn Mower Solenoids, With Wiring Diagram

How to Replace Lawn Mower Solenoids, With Wiring Diagram

0 Response to "39 murray lawn mower ignition switch wiring diagram"

Post a Comment

Iklan Atas Artikel

Iklan Tengah Artikel 1

Iklan Tengah Artikel 2

Iklan Bawah Artikel