Iklan 300x250

40 massey ferguson 245 parts diagram

Massey Ferguson 245 Parts Diagram - All Image Wiring ... massey ferguson 245 parts diagram is among the pictures we located on the web from reliable sources. We decide to explore this massey ferguson 245 parts diagram picture here just because according to facts from Google engine, It is one of many top rated searches keyword on the internet. And that we also feel you came Tractor Parts | New, Used, Rebuilt | All States Ag Parts 3 Way Selector Valve fits Massey Ferguson 235 165 275 188 230 50 255 178 245 40 135 185 265 35 175 240 150 TO35 65 180 47S731 fits Massey Harris 60032 ASAP Item No. 161564 View Details $28.25

Massey Ferguson MF3600 Tractor factory workshop and repair ... 10-03-2022 · Massey Ferguson MF3600 Tractor factory workshop and repair manual download ... The Price of Massey Ferguson 245 DI is Rs. ... Offering Hydraulic Lift Draft Control Parts (Massey Ferguson), लिफ्ट के पुर्जे at Rs / piece in Jodhpur, Rajasthan. a1A10. Draft, position and response control Links fitted with CAT-1 (Combi ...

Massey ferguson 245 parts diagram

Massey ferguson 245 parts diagram

In Stock. Make Offer - John Deere Leaping Deere decal fits ... 09-03-2022 · Features of the 62-in. The Jan 10, 2022 · Download Free John Deere 54 Inch Mower Deck Manual John Deere D170 54" Inch Mower Deck GY22229 G110 E180 LA150 190C S180. The mower deck features a 5/8-in. L110 deck belt diagram. Any ideas without buying a specialty tool?54-inch Mower Deck Parts for D170. Ferguson To30 Hood - hunde-kaufen-ratgeber.de Ferguson TO-30 Owner s Manual. forecasting Delivers an all-inclusive product with. Dustin Ferguson. May 9, 2020 - Explore Steve Clark's board "TO-30 Ferguson tractor" on Pinterest. Harry massey ferguson TO-30 TO-20 TE-20 tractor parts manual book 20 30 mf. Chrome Ferguson-30. Model : TO-30 Tractor. Hood, Grille andSide Panels. Massey Ferguson Parts Lookup by Model - Jacks Small Engines Parts lookup for Massey Ferguson power equipment is simpler than ever. Enter your model number in the search box above or just choose from the list below. How to FIND Your ... Massey Ferguson Parts Diagrams infohub. Massey Ferguson. Simplicity.

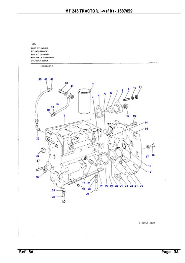
Massey ferguson 245 parts diagram. PDF Replacement parts to fit MASSEY FERGUSON - smalink.com Replacement parts to fit MASSEY FERGUSON. Fuel Systems (continued) Valve, Shut-off, 75 Fuse Holder, 106 Fuse, Limiter Massey Ferguson, 185 G Gas Struts, 194 Gaskets Axle, Rear Housing, 124 Exhaust, 93 Hydraulic Lift Cover, 143 Hydraulic Pump Base, 143 Hydraulic Pump Valve Chamber, 143 44 massey ferguson 245 parts diagram - Wiring Diagram Source Description: Mf 245 Parts Diagram - Tractor Repair With Wiring Diagram with Massey Ferguson 245 Parts Diagram, image size 428 X 367 px, and to view image details please click the image. Honestly, we have been noticed that massey ferguson 245 parts diagram is being one of the most popular field right now. Massey ferguson 240 parts manual - United States Manuals ... Many people looking for information about massey ferguson 245 parts diagram and certainly one of them is you, 12/4/2017 · This is the Highly Detailed factory service repair manual for theMASSEY FERGUSON MF 240 TRACTOR , this Service Manual has detailed illustrations as well as step by step instructions,It is 100 percents complete and intact ... TractorData.com Massey Ferguson 245 tractor information Massey Ferguson 245 tractor overview. Mechanical: Chassis: 4x2 2WD: Differential lock: mechanical rear: Steering: power

Massey Ferguson 245 Parts Diagram | Automotive Parts ... Description: Mf 245 Parts Diagram - Tractor Repair With Wiring Diagram with Massey Ferguson 245 Parts Diagram, image size 428 X 367 px, and to view image details please click the image.. Honestly, we have been noticed that massey ferguson 245 parts diagram is being one of the most popular field right now. So that we attempted to get some great massey ferguson 245 parts diagram photo to suit ... Massey Ferguson 245 Tractor Parts | Up to 60% off Dealer ... About the Massey Ferguson 245. Sold initially at a price of $17,150 (1983), the Massey Ferguson 245 Tractor had a few price variations, so if you got it for less, you found a great deal! We have all the parts you need for your Massey Ferguson 245 Tractor to keep it running. Make sure you have access to your tractor serial number, because there ... Exploded Parts Diagrams for Massey Ferguson Exploded Parts Diagrams for Massey Ferguson. Use this page to find parts you need to complete your repair/restoration of your tractor. Whether it is a vintage or a modern tractor you should be able to identify the part by make and application. Once you have found the part on a diagram click on the part number listed in the table below the diagrams. Parts & Services - Massey Ferguson AGCO Parts are the genuine replacement parts for your Massey Ferguson. We deliver the dependability you can rely on, with the productivity you've come to expect. When you see the AGCO Parts hologram, you know it's the original equipment part, which will maximize performance and uptime and keep your machinery running the way it's meant to.

Shop our selection of Massey-Ferguson 245 Parts and Manuals Massey Ferguson 245 Parts ManualBuy the Parts Manual for your Massey Ferguson and be the expert when.. $81.99 Add to Cart. Massey Ferguson 245 Tractor Operators Manual. Massey Ferguson 245 Operators ManualWhen this Massey Ferguson Equipment was new, the dealer would ha.. $28.99 Massey Ferguson 245 Tractor Parts - Yesterday's Tractors Massey Ferguson 245 Yesterday's Tractors for sale at discount prices. Same-day shipping and easy returns. Compare our prices! We have the right parts for your old tractor. Massey Ferguson 245 - Steiner Tractor Parts Massey Ferguson - Fits: [ 230, 235, 245, 250 (all gas / diesel) ], 240 (diesel only) * 94 pages* Includes electrical wiring diagram * An I&T Shop Service Manual tells you how to take a tractor apart, how to fix it and how to put it back together again. These are authentic manuals that deal with… AGCO Parts & Services - Massey Ferguson AGCO Parts are the genuine replacement parts for your Massey Ferguson. We deliver the dependability you can rely on, with the productivity you've come to expect. When you see the AGCO Parts hologram, you know it's the original equipment part, which will maximize performance and uptime and keep your machinery running the way it's meant to.

MASSEY FERGUSON MF 1040 PARTs MANUALs - 140pg Exploded Diagrams for MF1040  Tractor Service and Repair

MASSEY FERGUSON MF 1040 PARTs MANUALs - 140pg Exploded Diagrams for MF1040 Tractor Service and Repair

Amazon.com: Massey Ferguson 245 Parts All States Ag Parts Parts A.S.A.P. Front Wheel Hub 6 Bolt fits Massey Ferguson 230 255 245 285 235 165 275 265 175 1085 150 180 135 1080 519278M91 4.0 out of 5 stars 5 $50.88 $ 50 . 88

Massey Ferguson Mf 240 Tractor Parts Catalog Manual Book Exploded View  Assembly

Massey Ferguson Mf 240 Tractor Parts Catalog Manual Book Exploded View Assembly

Massey Ferguson 135 Parts - Agricultural Equipment Parts Massey Ferguson 135 Parts - Specs. Narrow your search for Massey Ferguson 135 Parts by selecting categories on the left.. The Massey Ferguson 135 Tractor was manufactured from 1954 to 1975. The Massey Ferguson 135 was designed as a utility tractor.The Massey Ferguson 135 was powered by a 45.5 hp Perkins 2.5L 3-cyl diesel or gas engine or a Continental 2.4L 4-cyl …

Massey ferguson mf 1080 tractor service parts catalogue ...

Massey ferguson mf 1080 tractor service parts catalogue ...

Other Heavy Equipment Parts & Accessories for sale | eBay Massey Ferguson Heavy Equipment. ... For instance, if you have a Kubota g6200, a simple Google search for "Kubota g6200 parts diagram" will allow you to see which part, in particular, you need to purchase and provide guidance for interchangeable parts. In some cases, ...

Massey ferguson mf 245 tractor, (fr) parts catalogue manual

Massey ferguson mf 245 tractor, (fr) parts catalogue manual

Simplicity 245 Parts Diagrams - Jacks Small Engines Simplicity 245 Parts Diagrams. Parts Lookup - Enter a part number or partial description to search for parts within this model. There are (209) parts used by this model. Ozone resistant material, steel base. Brake dust seal for diesel and gas applications.

Massey Ferguson MF-12 MF12 Garden Tractor Repair Parts List Book Manual |  eBay

Massey Ferguson MF-12 MF12 Garden Tractor Repair Parts List Book Manual | eBay

Massey Ferguson 245 Wiring Diagram - justussocializing.org Massey Ferguson 245 Wiring Diagram- One of the most difficult automotive repair tasks that a mechanic or repair shop can agree to is the wiring, or rewiring of a car's electrical system.The trouble in fact is that all car is different. gone aggravating to remove, replace or repair the wiring in an automobile, having an accurate and detailed massey ferguson 245 wiring diagram is essential ...

Massey-Ferguson MF 1010 2 4 Wheel Tractor Operators Manual

Massey-Ferguson MF 1010 2 4 Wheel Tractor Operators Manual

Massey Ferguson Fuel Filter - radfahren-in-portugal.de Massey Ferguson TEA20 Parts. Massey Ferguson Tractors Massey Ferguson Tractor Parts April 19th, 2019 - Below are listed all of the Massey Ferguson tractor parts manuals and FRAM Cartridge Fuel Filter C1191A FRAM April 17th, 2019 - One at a time enter your YEAR MAKE MODEL or FRAM part number and we ll begin. Nov 17, 2012 #3.

Massey ferguson mf 250 tractor (gb) service parts catalogue ...

Massey ferguson mf 250 tractor (gb) service parts catalogue ...

PDF Aftermarket Massey Ferguson Tractor Parts Catalog Massey Ferguson EOKMFAD3152A Engine Overhaul Kit Contains Pistons, Sleeves, Rings, Piston Pin Bushings, Complete Gasket Set, Front and Rear Crankshaft Seals (Order Bearings Separately) Engine, Overhaul Kits MF 135, 150, 20, 2135, 230, 235, 245 AD3.152 Direct Injection 5 Ring Piston, Rope Seal Crankshaft Order Individual Parts Below 746159M91

Massey Ferguson 235 Tractor Parts Manual

Massey Ferguson 235 Tractor Parts Manual

Tractor Parts and More | Up to 60% off Dealer Prices ... TractorJoe offers the best online shopping for tractor parts. Get quality tractor parts for Ford tractors, John Deere tractors, Massey Ferguson tractors and many more at discount prices.

Massey Ferguson Front Axle (Page 51) | Sparex Parts Lists ...

Massey Ferguson Front Axle (Page 51) | Sparex Parts Lists ...

Massey Ferguson Tractor Parts Catalog - Discounted ... Our company offers Massey Ferguson tractor parts, listed in our catalog below. We also offer many other used tractor parts (if you cannot find the part you are looking for by searching our catalog below). See our Ordering Information page for information about ordering over the phone, and our current shipping and return policies.

GENUINE MASSEY-FERGUSON

GENUINE MASSEY-FERGUSON "MF 245 LOADER PARTS CATALOG MANUAL ...

Massey Ferguson 245 Parts - Yesterday's Tractors MF 245 - Sheet Metal / Body Parts (19) Bumpers, battery boxes and trays, grills, fenders, hoods and hood panels, frame rails, dash cowling and covers, tool boxes, nose caps, running boards, side sheids and more plus associated brackets, bolts and other necessary pieces. MF 245 - Steering (57) Axles, axle pins and bushings.

Massey Ferguson 1125, 1140, 1145, 1240, 1250, 1260 Tractors Workshop Manual

Massey Ferguson 1125, 1140, 1145, 1240, 1250, 1260 Tractors Workshop Manual

Massey ferguson 245 parts diagram by preseven01 - Issuu MASSEY FERGUSON 245 PARTS DIAGRAM. The main topic of this pdf is centered on MASSEY FERGUSON 245 PARTS DIAGRAM, however it didn't shut the possibility of other supplemental information as well as ...

Massey Ferguson 245 Operators Manual

Massey Ferguson 245 Operators Manual

Apns For Free Android [9CQVON] Search: Free Apns For Android. Also, most free antivirus apps scan. You'll need a distinctive font and logo.

Massey Ferguson Engine (Page 91) | Sparex Parts Lists ...

Massey Ferguson Engine (Page 91) | Sparex Parts Lists ...

Upcoming Auctions - Sherwood Auctions 03-03-2022 · 1921 MS-64 Alabama Centennial Half Dollar, NNC, 1943 MS65 Walking Liberty Half Dollar, NGC, 2011 American Eagle 25th Anniversary $1 Early Releases, MS69, NGC, 1835 AU Half Cent, 1907 BU $2.50 Gold Coronet Head Quarter Eagle, 1907 MS TY-II $10 Coronet Head Gold Eagle, Morgan Silver Dollars, Peace Silver Dollars, U.S. Mint Proof Sets, U.S. Mint 50 …

MASSEY FERGUSON MF-245 LOADER PARTS MANUAL BOOK CATALOG | eBay

MASSEY FERGUSON MF-245 LOADER PARTS MANUAL BOOK CATALOG | eBay

Massey Ferguson 235 - Steiner Tractor Parts Massey Ferguson - Fits: [ 230, 235, 245, 250 (all gas / diesel) ], 240 (diesel only) * 94 pages* Includes electrical wiring diagram * An I&T Shop Service Manual tells you how to take a tractor apart, how to fix it and how to put it back together again. These are authentic manuals that deal with…

Massey-Ferguson MF202 203 204 205 Tractor Parts Manual

Massey-Ferguson MF202 203 204 205 Tractor Parts Manual

Massey Ferguson Tractor Parts - Cross Creek Tractor - (800 ... Tractor Parts For Massey Ferguson ®. We offer a great selection of tractor parts for your old, vintage, antique, or late model Massey Ferguson ® farm tractor. Click on a category below to find the right parts or type your model or part number into the search bar above to get instant results.

Massey Ferguson Parts Lookup by Model

Massey Ferguson Parts Lookup by Model

Massey Ferguson Dash Light Symbols - ozonreinigung-mv.de Massey Ferguson Engine, Cooling & Transmission Parts At Broken Tractor, we are dedicated to getting your Massey Ferguson Tractor back up and running so that you will not miss deadlines or lose money. plMassey ferguson dash light symbols -. pl We have more than 3,000 Massey Ferguson tractor spare parts currently in stock, so if you own an MF tractor and are looking …

Leyland Tractor 245 253 255 262 270 272 282 344 384 462 472 482 (Standard,  Q-Cab, Sekura Cab) &

Leyland Tractor 245 253 255 262 270 272 282 344 384 462 472 482 (Standard, Q-Cab, Sekura Cab) &

[email protected] - slots-casinospiele0.de Mar 09, 2022 · email protected] [email protected]

SMMF42 MF-42 MF42 New Fits Massey Ferguson Tractor Shop Manual 230 235 240  245 250

SMMF42 MF-42 MF42 New Fits Massey Ferguson Tractor Shop Manual 230 235 240 245 250

Massey Ferguson 245 Wiring Diagram DOWNLOAD Massey Ferguson 245 Wiring Diagram. ... Case IH Tractor Parts Online Catalog has Case IH Parts, Case IH Tractor Parts, part descriptions, pictures, and prices. Click on the Image below to enter the Online Catalog. Helpful information and resources on Case tractors from SSB Tractor, a leading provider of tractor parts, manuals ...

Massey-Ferguson Model MF20 MF25 MF30 Industrial Wheel Tractor Parts Manual  | eBay

Massey-Ferguson Model MF20 MF25 MF30 Industrial Wheel Tractor Parts Manual | eBay

Agco Parts Books AGCO PARTS BOOKS TO GO™. The functionality of our mobile application parts catalogue includes: Available in both the Android and Apple iOS platforms (iOS 6 or later) in 40 countries. Available in 14 different languages with multi-language support. Easy to find parts information via parts lists or search functionality.

Massey Ferguson 35 Tractor Operators Manual

Massey Ferguson 35 Tractor Operators Manual

90 Peterbilt PDF manuals & wiring diagrams - Truckmanualshub.com Nov 14, 2018 · Peterbilt CAB HARNESS DDEC II wiring diagram.pdf: 49.2kb: Download: Peterbilt CAT C10-C12, 3176B, 3406E Engine Schematic.pdf: 133.7kb: Download: Peterbilt Cummins CELECT Schematic (1995) – Model 379 Family.pdf

NEW Dual Hydraulic Remote Kit Massey Ferguson MF 135 150 230 231 240 245  250 253

NEW Dual Hydraulic Remote Kit Massey Ferguson MF 135 150 230 231 240 245 250 253

[email protected] - casinospieleslots.de Mar 09, 2022 · Dec 23, 2021 · Y: 1668816M2 New Massey Ferguson Massey ferguson 1739e warning lights Free ONLINE Tractor Manual PDF, Fault Codes DTC. MASSEY FERGUSON TO35 For Sale - 2 Listings | TractorHouse Massey Ferguson 245 Parts - Specs. Jan 02, 2022 · Massey ferguson 1739e warning lights - archivprofi24.

Massey Ferguson GC2400, GC2410, GC2600, GC2610 Tractors Service Workshop  Manual

Massey Ferguson GC2400, GC2410, GC2600, GC2610 Tractors Service Workshop Manual

245 - Discounted Massey_Ferguson_Tractor_Parts Tractor ... This Massey Ferguson fan blade features a 1 3/4" square bolt pattern with 1 5/8" pilot hole and 5/16" bolt holes. Fits MF 135, MF 150, MF 230, MF 235, MF 245, MF 20 Industrial, MF 20C, MF 30, MF 30B, MF 30D, and MF 40 tractors. Replaces 194 046 M91.

Massey Ferguson MF 31 COMBINE Parts Catalog Manual – Best Manuals

Massey Ferguson MF 31 COMBINE Parts Catalog Manual – Best Manuals

Massey Ferguson 245 Parts - Agricultural Equipment Parts Massey Ferguson 245 Parts - Specs. Narrow your search for Massey Ferguson 245 Parts by selecting categories on the left.. The Massey Ferguson 245 Tractor was manufactured from 1976 to 1983. The Massey Ferguson 245 was designed as a utility tractor.The Massey Ferguson 245 was powered by a 45 hp Perkins 2.5L 3-cyl diesel engine or a Continental 2.4L 4-cyl gas engine.

Massey Ferguson Epsilon Europe 09/2020 Parts Books and Workshop Manuals

Massey Ferguson Epsilon Europe 09/2020 Parts Books and Workshop Manuals

Massey-Ferguson Parts Massey-Ferguson Starter Starter For Toyosha Diesel Engines. 9 Tooth 1.2KW 2 Bolt Flange. Model (s): Massey-Ferguson Alternator 12v. Model (s): Massey-Ferguson Clutch Plate 6-1/2" Pressure Plate. Model (s): Massey-Ferguson Water Pump Gasket Mounting Gasket For Pump 1206-6204P. Model (s): Price: $232.72.

Massey Ferguson Spare Parts - Manufacturers, Suppliers & Dealers

Massey Ferguson Spare Parts - Manufacturers, Suppliers & Dealers

Massey Ferguson Parts Lookup by Model - Jacks Small Engines Parts lookup for Massey Ferguson power equipment is simpler than ever. Enter your model number in the search box above or just choose from the list below. How to FIND Your ... Massey Ferguson Parts Diagrams infohub. Massey Ferguson. Simplicity.

Massey Ferguson Tractor Parts | 135, 230, 245, 231 Tractor ...

Massey Ferguson Tractor Parts | 135, 230, 245, 231 Tractor ...

Ferguson To30 Hood - hunde-kaufen-ratgeber.de Ferguson TO-30 Owner s Manual. forecasting Delivers an all-inclusive product with. Dustin Ferguson. May 9, 2020 - Explore Steve Clark's board "TO-30 Ferguson tractor" on Pinterest. Harry massey ferguson TO-30 TO-20 TE-20 tractor parts manual book 20 30 mf. Chrome Ferguson-30. Model : TO-30 Tractor. Hood, Grille andSide Panels.

Hydraulic Pump Less Pressure Control - Discounted Massey ...

Hydraulic Pump Less Pressure Control - Discounted Massey ...

In Stock. Make Offer - John Deere Leaping Deere decal fits ... 09-03-2022 · Features of the 62-in. The Jan 10, 2022 · Download Free John Deere 54 Inch Mower Deck Manual John Deere D170 54" Inch Mower Deck GY22229 G110 E180 LA150 190C S180. The mower deck features a 5/8-in. L110 deck belt diagram. Any ideas without buying a specialty tool?54-inch Mower Deck Parts for D170.

Massey Ferguson 235 Steering Gear Assembly

Massey Ferguson 235 Steering Gear Assembly

Massey Ferguson 245 Tractor Parts Manual

Massey Ferguson 245 Tractor Parts Manual

Massey Ferguson 1105, 1135, and 1155 Tractors - Service Manual

Massey Ferguson 1105, 1135, and 1155 Tractors - Service Manual

Massey ferguson mf 455 xtra tractor (br) parts catalogue manual

Massey ferguson mf 455 xtra tractor (br) parts catalogue manual

MASSEY FERGUSON 255 TRACTOR PARTS CATALOG MANUAL VIEW ...

MASSEY FERGUSON 255 TRACTOR PARTS CATALOG MANUAL VIEW ...

Amazon.com: Parts Manual - 245 fits Massey Ferguson 245 245 ...

Amazon.com: Parts Manual - 245 fits Massey Ferguson 245 245 ...

Identifying a Massey Ferguson model using the serial number

Identifying a Massey Ferguson model using the serial number

Massey Ferguson 205 Tractor Operators Manual (HTMH-OMF205)

Massey Ferguson 205 Tractor Operators Manual (HTMH-OMF205)

Massey Ferguson Transmission & PTO (Page 245) | Sparex Parts ...

Massey Ferguson Transmission & PTO (Page 245) | Sparex Parts ...

Massey Ferguson 245 Maintenance, Paint and Fix up

Massey Ferguson 245 Maintenance, Paint and Fix up

Massey Ferguson 245

Massey Ferguson 245

MASSEY FERGUSON MF 175 TRACTOR PARTS MANUAL 651190M97 – PDF ...

MASSEY FERGUSON MF 175 TRACTOR PARTS MANUAL 651190M97 – PDF ...

Alternator Fits Massey Ferguson Mf 243 245 250 253 254 255 54022097 24220  24291A

Alternator Fits Massey Ferguson Mf 243 245 250 253 254 255 54022097 24220 24291A

0 Response to "40 massey ferguson 245 parts diagram"

Post a Comment

Iklan Atas Artikel

Iklan Tengah Artikel 1

Iklan Tengah Artikel 2

Iklan Bawah Artikel