Iklan 300x250

38 2001 honda civic parts diagram

Vehicle Specifications | 2001 Honda Civic Sedan | Honda ... You have no vehicle information saved in your Honda Owners account. Select Year & Model Choose a Year and Model to View YEAR 2022 2021 2020 2019 2018 2017 2016 2015 2014 2013 2012 2011 2010 2009 2008 2007 2006 2005 2004 2003 2002 2001 2000 1999 1998 1997 1996 1995 1994 1993 1992 1991 1990 1989 1988 1987 1986 1985 1984 1983 1982 1981 1980 MODEL 2001 Honda Wiring Diagrams - FreeAutoMechanic 2001 Honda Wiring Diagrams We are proud to have the ability to make vehicle specific free wiring diagrams available on request. Select your Year, Make and Model. Then choose the wiring diagram that best fits the repair issue or problem.

2004 Honda Civic Engine Diagram - Automotive Parts Diagram ... Description: Honda Civic 2001-2005 Expert Review with 2004 Honda Civic Engine Diagram, image size 700 X 525 px, and to view image details please click the image.. Here is a picture gallery about 2004 honda civic engine diagram complete with the description of the image, please find the image you need.

2001 honda civic parts diagram

2001 honda civic parts diagram

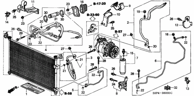
Honda online store : 2001 civic fuel tank (cng) parts 5. retainer, tank band spring 6. connector, seal lock (1/4 inches) 7. connector, seal lock (1/4 inches) 8. connector, seal lock (3/8 inches) 9. nut, duct base 10. gasket, duct base 11. base, tank valve duct 12. frame, fr. tank 13. frame, rr. tank 14. frame, r. tank side 15. frame, l. tank side 16. bolt, flange (10x80) 17. o-ring (1/4 inches) 2001 Honda Civic Parts Diagram | Automotive Parts Diagram ... Honda. Wiring Diagram For Cars pertaining to 2001 Honda Civic Parts Diagram, image size 1108 X 553 px, and to view image details please click the image. Truly, we have been noticed that 2001 honda civic parts diagram is being one of the most popular issue at this moment. Brake Lines - 2001 Honda Civic 2 Door LX KL 4AT 1. $1.64$1.16. 1. Add To Cart. Genuine Honda Parts, the Right Choice. HondaPartsNow .com offers the wholesale prices for genuine 2001 Honda Civic parts. Parts like Brake Lines are shipped directly from authorized Honda dealers and backed by the manufacturer's warranty. Parts fit for the following vehicle options.

2001 honda civic parts diagram. 2001 Honda Civic Replacement Fuel System Parts - CARiD.com Civic 2001 2001 Honda Civic Fuel System Parts Throttle Bodies Fuel Pumps Fuel Tanks Fuel Injectors & Rails Fuel Filters Fuel Pressure Regulators Hoses & Lines Fuel Sensors & Switches Fuel System Additives Show items: 60 90 120 Sort by Denso® Electric Fuel Pump 0 # mpn3323893180 Honda Civic 1.7L Gas 2001, Electric Fuel Pump by Denso®. › porschePORSCHE - Car PDF Manual, Wiring Diagram & Fault Codes DTC im looking the complete engine wiring diagram & schematic thats color coded for my 4dr 1994 honda civic sedan has a D15b7 engine in it for now but someone cut up a few wires in diffrent areas. thank you very much its been difficult to find the correct schematic & diagram again thank you #220. Ed Bro (Friday, 29 January 2021 05:49) Honda online store : You are shopping for 2001 CIVIC Parts ... 2001 HONDA CIVIC PARTS | 2001 CIVIC PARTS AIR & OIL FILTERS filter, oil air cleaner FUEL FILTER canister A/C FILTER element BELTS belt, compressor belt, timing belt, power steering pump belt, alternator BULBS bulb, headlight bulb CAPS cap assy., oil filler cap, fuel filler cap radiator BRAKE PADS, DISK & CALIPER pad set BRAKE SHOES & WHEEL CYLINDER 2001 Honda Civic Engine Diagram | Automotive Parts Diagram ... - Honda-Tech - Honda Forum within 2001 Honda Civic Engine Diagram, image size 1019 X 689 px, and to view image details please click the image. Here is a picture gallery about 2001 honda civic engine diagram complete with the description of the image, please find the image you need.

Honda Accord Engine Diagram | Diagrams: Engine Parts ... From the thousand images on the net concerning 2001 honda civic parts diagram, selects the best selections having best image resolution only for you, and now this pictures is usually one among photographs collections in this finest pictures gallery regarding 2001 Honda Civic Parts Diagram. I'm hoping you'll think it's great. Honda online store : 2001 civic front seat (l.) parts Honda online store : 2001 civic front seat (l.) parts ... Honda; Parts; 2001; civic EX 2 DOOR 5MT; Right menu Find a dealer. Yes No . FRONT SEAT (L.) View large diagram Hide diagram View diagram View printable catalog Translate. 1. c-clip set, trim fastener (30 pieces) ... View large diagram Hide diagram View diagram View printable catalog ... 2000 Honda Door Diagram 2000 Honda Civic Interior Parts ... 2000 Honda Door Diagram 2000 Honda Civic Interior Parts Wiring within 2001 Honda Civic Power Window Wiring Diagram by admin Through the thousand images on-line about 2001 Honda Civic Power Window Wiring Diagram, picks the top libraries using ideal image resolution just for you all, and now this photographs is among photos collections in this greatest graphics gallery concerning 2001 Honda ... › opelOPEL - Car PDF Manual, Wiring Diagram & Fault Codes DTC im looking the complete engine wiring diagram & schematic thats color coded for my 4dr 1994 honda civic sedan has a D15b7 engine in it for now but someone cut up a few wires in diffrent areas. thank you very much its been difficult to find the correct schematic & diagram again thank you #220. Ed Bro (Friday, 29 January 2021 05:49)

Brake Lines for 2001 Honda Civic | Honda Parts Online Hours Monday-Friday: 8:00am-6:00pm Saturday: 8:00am-4:00pm Sunday: Closed 2001 Honda Civic Accessories & Parts at CARiD.com 2001 Honda Civic Body Parts Mirrors Headlights Tail Lights Bumpers Fenders Hoods Grilles Doors Quarter Panels Trunks & Tailgates Interior Parts Rocker Panels + Floors Chassis Frames & Body Header Panels Window Components Wipers & Washers Roofs Emblems & Logos Automotive Paint 2001 Honda Civic Audio & Electronics Installation Parts PDF Honda Civic 2001 Engine Wiring Harness Diagrams Access Free Honda Civic 2001 Engine Wiring Harness DiagramsHonda Accord Engine Wiring Diagram And Wrg Civic Lx Fuse Box Wr In 2020 2001 Honda Civic Lx Parts Diagram | Reviewmotors.co Computer Data Lines 2001 Honda Civic; Wiring Diagram (Civic Except GX & HX 1.7L; Download 2001 Honda Civic Wiring Diagram below. Tweet. 0 Response to "2001 HONDA ... Honda online store : 2001 civic molding parts Ref #: 003 clip, center pillar garnish. Part Number: 72431-S2X-003. Mfg. Origin: ' USA ' Emission Types: KA - US - 49 State Spec KL - California Spec. Retail price: $3.91 WARNING: California Prop 65 Information

Yonaka Exhaust Honda Civic Coupe/Sedan 1.7 (2001-2005) 2.5

Yonaka Exhaust Honda Civic Coupe/Sedan 1.7 (2001-2005) 2.5" Catback

2001 Honda Civic Heater Hose | Advance Auto Parts We currently carry 6 Heater Hose products to choose from for your 2001 Honda Civic, and our inventory prices range from as little as $4.84 up to $16.99. On top of low prices, Advance Auto Parts offers 2 different trusted brands of Heater Hose products for the 2001 Honda Civic. We only sell parts from trusted brands like Dayco so that you can ...

Sensor Assembly, Tdc Cylinder

Sensor Assembly, Tdc Cylinder

PDF 2001 Honda Civic Ex Engine - homes.ohio.com Wiring Diagram For Cars pertaining to 2001 Honda Civic Parts Diagram, image size 1108 X 553 px, and to view image details please click the image. Truly, we have been noticed that 2001 honda civic parts diagram is being one of the most popular issue at this moment. So we tried to find some great ...

2001-2005 Honda Receiver 80351-S5D-A01 | hondapartswd

2001-2005 Honda Receiver 80351-S5D-A01 | hondapartswd

Honda Civic - Transmission rebuild manuals Honda Civic. Here you can download Honda Civic automatic transmission rebuild manuals, schemes, diagrams, fluid type and capacity information. Whatever type of Honda Civic you own, we will help you with guides that will teach you how to service your gearbox by yourself. Years. Transmission Type.

Sub-Wire, Combination

Sub-Wire, Combination

honda-tech.com › how-tos › aHonda Accord: Why are My Air Vents Stuck? - Honda-Tech Mar 10, 2015 · 2022 Honda Civic 1.5 Turbo: A Closer Look. Slideshow: After five decades, the Civic still runs strong. The most expensive Honda Civic 1.5 Turbo Touring model is still a great bargain. 116695 CAR With the high cost of cars today, it's nice to have a sensible ...

Pipe E, R Brake

Pipe E, R Brake

2001 Honda Civic Replacement Suspension Parts - CARiD.com 2001 Honda Civic Suspension Parts Shocks & Struts Control Arms Sway Bars Coil Springs Ball Joints Alignment Kits Self-Leveling Sensors Suspension Bushings Shock & Strut Mounts Suspension Lubricants Strut Tower Braces Subframe Braces Show items: 60 90 120 Sort by Unity® Complete Strut Assembly Kit 2 # 15863342

Escutcheon, Console

Escutcheon, Console

PDF Honda Civic Engine Parts Diagram - zulip.tucson.com Description: Honda Civic 2001-2005 Expert Review with 2004 Honda Civic Engine Diagram, image size 700 X 525 px, and to view image details please click the image.. Here is a picture gallery about 2004 honda civic engine diagram complete with the description of the image, please find the

Cylinder Assembly B, Rear Wheel

Cylinder Assembly B, Rear Wheel

Air Cleaner - 2001 Honda Civic 4 Door EX KA 4AT 91406-PLC-003. Clip, Tube (D22) $5.84$4.13. 1. Add To Cart. Genuine Honda Parts, the Right Choice. HondaPartsNow .com offers the wholesale prices for genuine 2001 Honda Civic parts. Parts like Air Cleaner are shipped directly from authorized Honda dealers and backed by the manufacturer's warranty. Parts fit for the following vehicle options.

Molding for 2001 Honda Civic | OEM Parts

Molding for 2001 Honda Civic | OEM Parts

Genuine Honda Civic Parts and Accessories at HondaPartsNow Popular Genuine Honda Civic Parts and Accessories Popular Electrical / Exhaust / Heater / Fuel Parts View More > Drain Plug Washer Cabin Air Filter Wiper Blade Air Filter Headlight Engine Control Module Wiper Arm Catalytic Converter Popular Chassis Parts View More > Brake Pad Set Steering Wheel Wheel Bearing Lug Nuts Shock And Strut Mount

90190-S04-000 - Bolt, Flange (12X38) - 1996-2001 Honda ...

90190-S04-000 - Bolt, Flange (12X38) - 1996-2001 Honda ...

2001 Honda Civic Replacement Ignition Parts - CARiD.com 2001 2001 Honda Civic Ignition Parts Spark Plugs Ignition Coils Distributors Spark Plug Wires, Ignition ... Ignition Lock Cylinders Relays, Sensors & Switches Show items: 60 90 120 Sort by Denso® Original U-Groove Nickel Spark Plug 0 # 3665272579 Honda Civic 1.7L CNG / Gas 2001, Original U-Groove Nickel Spark Plug by Denso®.

2001 Honda Civic - S/ABS Assembly L Front

2001 Honda Civic - S/ABS Assembly L Front

2001 Honda TRX300EX Parts Diagram: - BikeBandit.com Navigate your 2001 Honda TRX300EX schematics below to shop OEM parts by detailed schematic diagrams offered for every assembly on your machine. OEM is an acronym for original equipment manufacturer, which means that the 2001 Honda TRX300EX OEM parts offered at BikeBandit.com are genuine Honda parts.

Honda Civic Parts

Honda Civic Parts

Honda Civic Parts Catalog Library at PRO Car Studio Aftermarket Parts Catalogs for Honda Civic: Click on one of the links below to view the parts catalog that matches your Civic's year, submodel, and trim level. Clicking a link will also put the corresponding Civic into the "Garage", which will make the site only display parts that fit that Civic.

VTEC solenoid leak? | Honda D Series Forum

VTEC solenoid leak? | Honda D Series Forum

Honda online store : 2001 civic bumpers parts Ref #: 003 spoiler, fr. bumper air *nh68* Part Number: 71110-S5A-A00ZA Color: (BLACK GLOSS 10) Mfg. Origin: ' USA ' Emission Types: KA - US - 49 State Spec. Retail price: $180.20 WARNING: California Prop 65 Information

2001 Honda Civic - Hose Rotary Air Control Valve-In

2001 Honda Civic - Hose Rotary Air Control Valve-In

2001 Honda Accord Headlight Wiring Diagram - U Wiring The 4-cylinder in-line gasoline engine is mounted transversely in front of the car and is equipped with an electronic fuel injection system. 2001 Honda Accord Wiring Diagram wiring diagram is a simplified standard pictorial representation of an electrical circuit. 2-door Coupe and 4-door Sedan. This module has been designed to provid.

2001-2003 Honda Civic Gasket, Base 33502-S5P-A01 | Honda ...

2001-2003 Honda Civic Gasket, Base 33502-S5P-A01 | Honda ...

2001 Honda Civic Replacement Transmission Parts at CARiD.com 2001 Honda Civic Transmission Parts AT Assemblies Clutch Kits Pressure Plates Flywheels Torque Converters Clutch Linkages Clutch Release Bearings & C... Clutch Hydraulics Seals & Gaskets AT Oil Coolers MT Assemblies Bearings Transmission Filters Pans, Drain Plugs, Filler Caps Rebuild Kits Transmission Mounts Solenoids, Sensors, Switche...

Go-Parts OE Replacement for 2001 - 2005 Honda Civic Side View Mirror (Sedan  + Manual Remote + Civix DX/VP) - Left (Driver) 76250-S5D-A01 HO1320140 ...

Go-Parts OE Replacement for 2001 - 2005 Honda Civic Side View Mirror (Sedan + Manual Remote + Civix DX/VP) - Left (Driver) 76250-S5D-A01 HO1320140 ...

Brake Lines - 2001 Honda Civic 2 Door LX KL 4AT 1. $1.64$1.16. 1. Add To Cart. Genuine Honda Parts, the Right Choice. HondaPartsNow .com offers the wholesale prices for genuine 2001 Honda Civic parts. Parts like Brake Lines are shipped directly from authorized Honda dealers and backed by the manufacturer's warranty. Parts fit for the following vehicle options.

Honda 21151-PLY-000

Honda 21151-PLY-000

2001 Honda Civic Parts Diagram | Automotive Parts Diagram ... Honda. Wiring Diagram For Cars pertaining to 2001 Honda Civic Parts Diagram, image size 1108 X 553 px, and to view image details please click the image. Truly, we have been noticed that 2001 honda civic parts diagram is being one of the most popular issue at this moment.

2001 Honda Civic for Sale (with Photos) - CARFAX

2001 Honda Civic for Sale (with Photos) - CARFAX

Honda online store : 2001 civic fuel tank (cng) parts 5. retainer, tank band spring 6. connector, seal lock (1/4 inches) 7. connector, seal lock (1/4 inches) 8. connector, seal lock (3/8 inches) 9. nut, duct base 10. gasket, duct base 11. base, tank valve duct 12. frame, fr. tank 13. frame, rr. tank 14. frame, r. tank side 15. frame, l. tank side 16. bolt, flange (10x80) 17. o-ring (1/4 inches)

Pipe, Fuel

Pipe, Fuel

Details about 2001 2002 2003 Honda Civic Service Shop Repair Manual Set W  Parts Catalog + Supp

Details about 2001 2002 2003 Honda Civic Service Shop Repair Manual Set W Parts Catalog + Supp

1999 Honda Civic Parts Diagram 16 Images - Honda Civic Parts ...

1999 Honda Civic Parts Diagram 16 Images - Honda Civic Parts ...

Pipe B, Clutch

Pipe B, Clutch

2001-2003 Honda Civic Clip, Hood Molding 90157-S3N-003 ...

2001-2003 Honda Civic Clip, Hood Molding 90157-S3N-003 ...

2001-2015 Honda Civic Clip, Wire Harness (132.3MM) (Dark Blue ...

2001-2015 Honda Civic Clip, Wire Harness (132.3MM) (Dark Blue ...

Honda Civic Parts Catalog Library at PRO Car Studio

Honda Civic Parts Catalog Library at PRO Car Studio

Used 2001 Honda Civic for Sale Near Me - Pg. 349 | Edmunds

Used 2001 Honda Civic for Sale Near Me - Pg. 349 | Edmunds

Caliper Set, Front

Caliper Set, Front

Front Ball Joint Replacement on the '01-'05 Honda Civic 1.7L ...

Front Ball Joint Replacement on the '01-'05 Honda Civic 1.7L ...

Hard Truths – Joseph Kelly's Blog

Hard Truths – Joseph Kelly's Blog

91524-SE0-003 - Clip, Cowl Top - 1986-2001 Honda | Genuine ...

91524-SE0-003 - Clip, Cowl Top - 1986-2001 Honda | Genuine ...

I need to see if anyone has a diagram on the 2001 Honda ...

I need to see if anyone has a diagram on the 2001 Honda ...

2001-2005 Honda Civic Cover Assembly, Engine Wire Harness ...

2001-2005 Honda Civic Cover Assembly, Engine Wire Harness ...

2001-2005 Honda Civic Repair (2001, 2002, 2003, 2004, 2005 ...

2001-2005 Honda Civic Repair (2001, 2002, 2003, 2004, 2005 ...

Honda 16400-PLR-A54

Honda 16400-PLR-A54

Honda Civic (seventh generation) - Wikipedia

Honda Civic (seventh generation) - Wikipedia

2001 Honda Civic LX Coupe Quality Used OEM Replacement Parts ...

2001 Honda Civic LX Coupe Quality Used OEM Replacement Parts ...

Solenoid Assembly, Shift (Keihin)

Solenoid Assembly, Shift (Keihin)

My 2003 honda civic ex revs up momentarily between 2nd and ...

My 2003 honda civic ex revs up momentarily between 2nd and ...

2001-2005 Honda Civic O-Ring (7.85X3.53) 91302-PLC-000 ...

2001-2005 Honda Civic O-Ring (7.85X3.53) 91302-PLC-000 ...

0 Response to "38 2001 honda civic parts diagram"

Post a Comment

Iklan Atas Artikel

Iklan Tengah Artikel 1

Iklan Tengah Artikel 2

Iklan Bawah Artikel